User's Manual

43
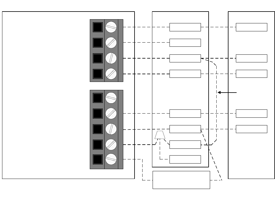
Y
G
W1
R
C
Y
C
Fan Coil Heat Pump
R
O/W2/B
G
Y1/W2
Y/Y2
Rc/V+
Rh
C/Vg
W/W1
HUM*
O ORVS Cooling
Fan
Heat Stage 3
Heat/Cool Stage 1
24VAC Hot Cooling
24VAC Hot Heating
24VAC Common
Heat Stage 2
Humidify E
W2W2
Remove J2
Jumper for
heat staging
Côr 5, Côr 5C, Côr 7, or Côr 7C Thermostat
* Indicates connection may not be required/available
Humidifier Solenoid
Valve*
Fig. 26 -- FV/FK Fan Coil with 1--Stage Heat Pump