Service Manual Manual

– 58 –
(3) At higher engine revolution, the advancing control circuit operates at the ignition timing to run the base
current I
5 to turn the signal transistor B "ON" allowing the current I1 to bypass as current I6.
At this moment the power transistor turns "OFF" and the current I
2 is abruptly shut resulting in the high
voltage generated in the secondary coil which produces sparks at the spark plug.
The operating timing of the advancing control circuit advances in accordance with the increase of engine
speed resulting in the advancing of ignition timing.
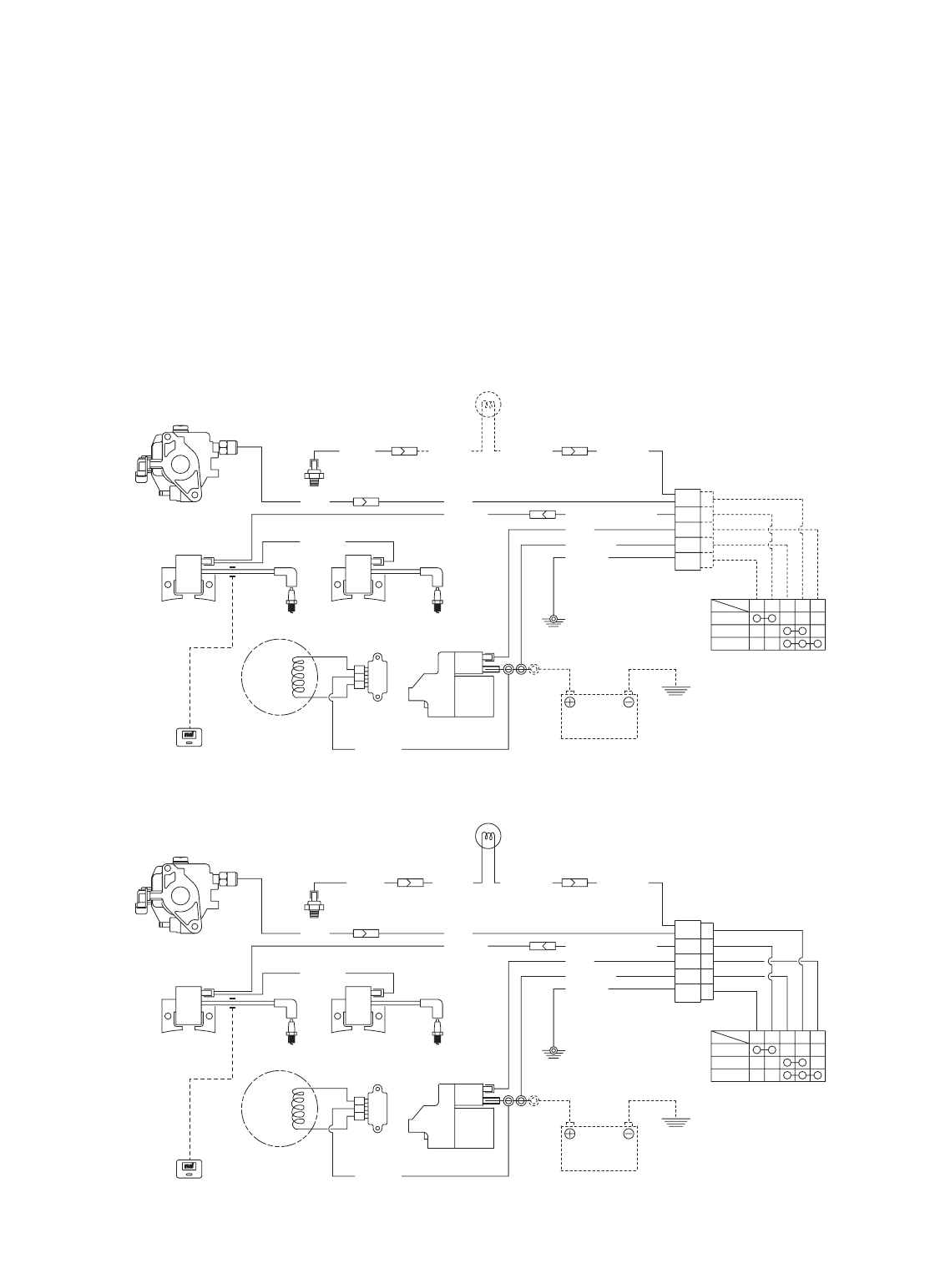
WIRING DIAGRAM
Connect key switch, magnetic switch and battery with wirings of proper gauge as shown by the dotted lines in
the wiring diagram.
OIL WARNING LAMP
OIL PRESSURE
SWITCH
BATTERY
12V
SPARK
PLUG
SPARK
PLUG
SPARK
PLUG
SPARK
PLUG
IGNITION
COIL #2
OFF
RUN
START
OFF
RUN
START
CARBURETOR
IGNITION
COIL #1
CHARGE
COIL
REGURATOR
ELECTRIC
STARTER
Key switch
(Option parts)
RED
BLACK
GRAY
GREEN
BLACK
WHITE
RED
OIL WARNING LAMP
Without Control box
With Control box
OIL PRESSURE
SWITCH
BATTERY
12V
IGNITION
COIL #2
CARBURETOR
IGNITION
COIL #1
CHARGE
COIL
REGURATOR
ELECTRIC
STARTER
Key switch
RED
BLACK / WHITE
RED
YELLOW
WHITE
BLACK
GRAY
GREEN
BLACK
BLACK / WHITE
RED
YELLOW
WHITE
YELLOW
WHITE
YELLOW
YELLOW YELLOW
RED
※TACHO / HOUR METER
PET-2000DX. etc.
※TACHO / HOUR METER
PET-2000DX. etc.