Use and Care Manual

26
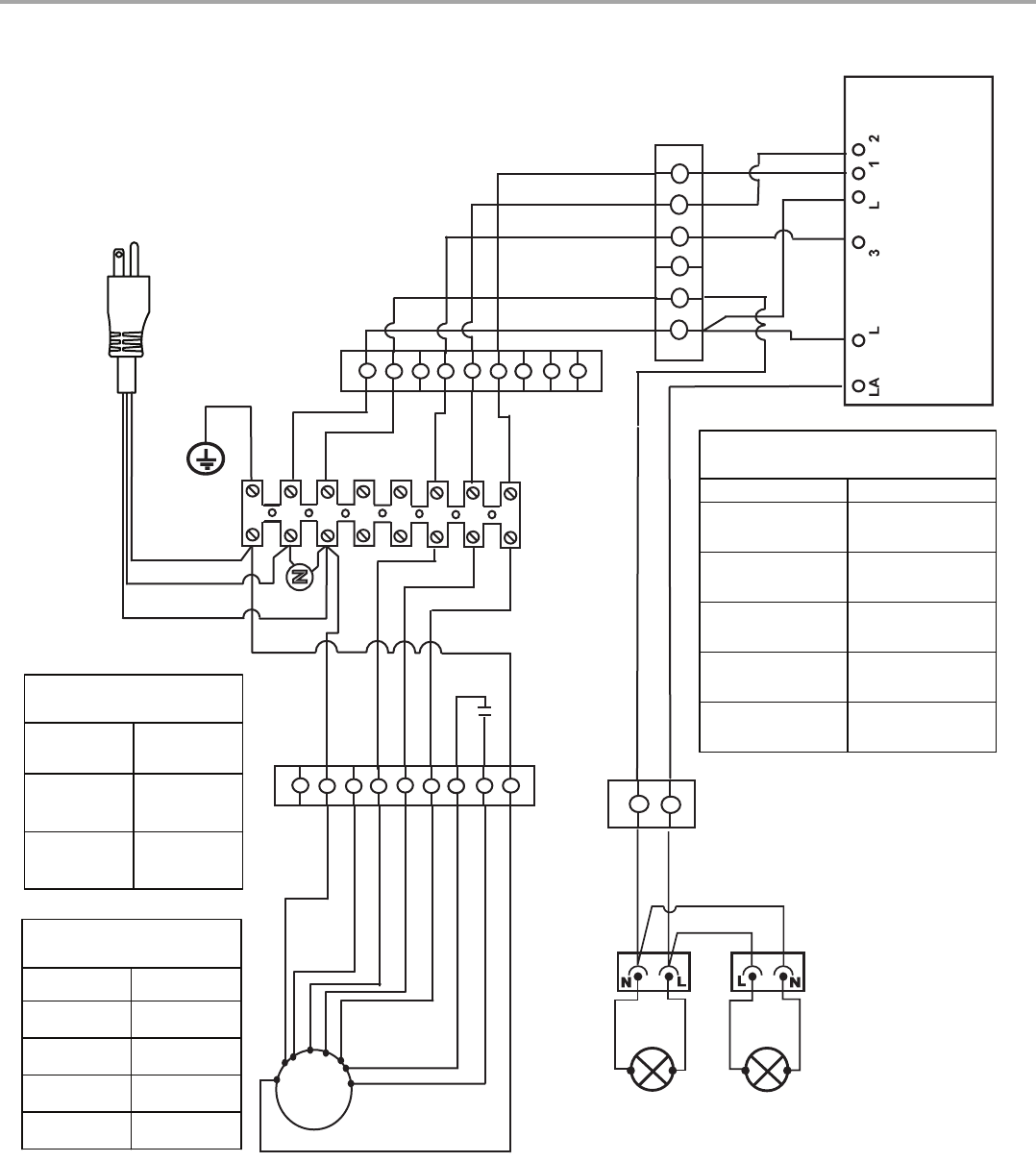
SCHÉMA DE CÂBLAGE
M
1
23
4
5
6
7
8
9
BL
R
N
GRIS
MAR
JA
Cordon d'alimentation
N
R
BL
JA
MAR
1
23
4
5
6
7
8
9
1
23
4
5
6
2
1
R
BL
N
BU
JA/VE
JA
CON 1
CON 2
 CON3
CON 4
CON 5
CO
N 8
CON 6
CON 7
R
BU
GRIS
CON 9
CON 10
JA/VE
JA/VE
JA/VE
BL
N
BL
N
GRIS
GRIS
Carte bouton-poussoir
Fonctionnement 
du commutateur
Position
Connexion
Inactif
Pas de connexion
Lampes
Vitesse basse
Vitesse moyenne
Vitesse élevée
GRIS/JA
(L - LA)
GRIS/BL
(L - 1)
GRIS/R
(L - 2)
GRIS/N
(L - 3)
BU
JA
BU
JA
BL
N
N
BL
BU
JA
BU
BU
Condensateur
Varistor
BL
R
N
GRIS
BU
Caractéristiques 
du moteur
Alimentation 
électrique
Fréquence
Absorption 
de courant
120 VAC
60 Hz
240 W
Résistance 
moteur (ohms)
BU-R
BU-GRIS
BU-N
BU-BL
Température 
de la pièce
37,7
30,3
28,8 (max)
45,1 (min)
73,4˚F (23˚C)










