Data Sheet
Table Of Contents

Servo
Error
Amp
Ref
27k
Ω
8k
Ω
Current
Limit
Thermal
Protection
Bandgap
NR
OUT
R
1
R
2
EN
GND
IN
R
1
+ R
2
= 80k
Ω
4MHz
Charge Pump
V
O
1.2V
1.5V
1.8V
2.5V
2.8V
3.0V
3.3V
R
1
Short
23.2kΩ
28.0kΩ
39.2kΩ
44.2kΩ
46.4kΩ
52.3kΩ
R
2
Open
95.3kΩ
56.2kΩ
36.5kΩ
33.2kΩ
30.9kΩ
30.1kΩ
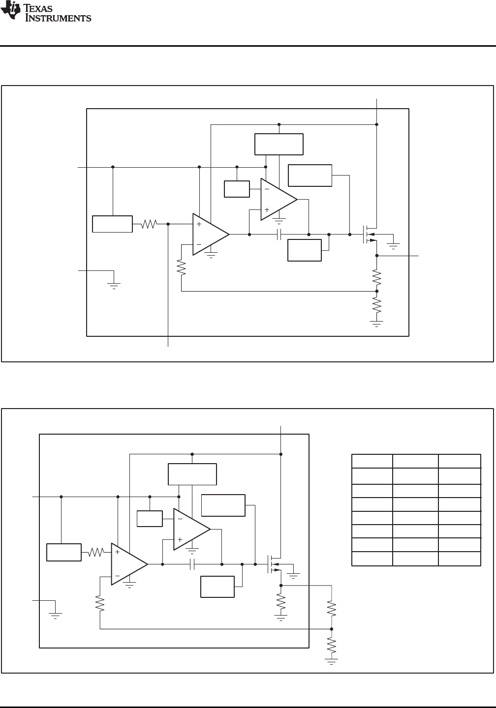
Table 1. Standard 1%
Resistor Values for
Common Output Voltages
NOTE: V
OUT
= (R
1
+ R
2
)/R
2
× 1.204;
R
1
R
2
≅ 19kΩ for best
accuracy.
Servo
Error
Amp
Ref
Current
Limit
Thermal
Protection
Bandgap
OUT
FB
R
1
R
2
EN
GND
IN
80k
Ω
8k
Ω
27k
Ω
4MHz
Charge Pump
TPS736xx
www.ti.com
SBVS038T –SEPTEMBER 2003–REVISED AUGUST 2010
FUNCTIONAL BLOCK DIAGRAMS
Figure 1. Fixed Voltage Version
Figure 2. Adjustable Voltage Version
Copyright © 2003–2010, Texas Instruments Incorporated Submit Documentation Feedback 5










