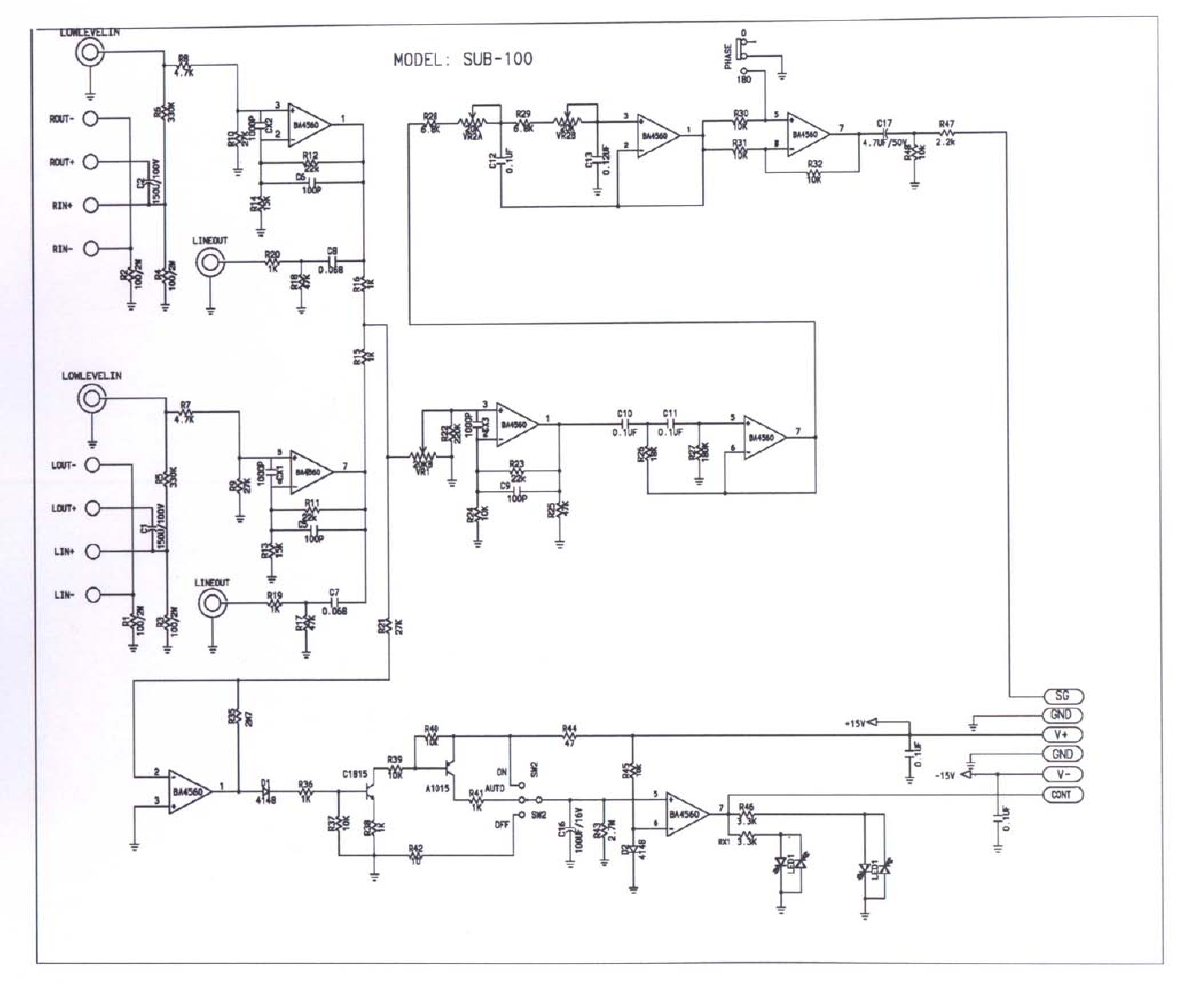
Circuit diagram
Manuals
Brands
Unbranded Manuals
Speakers Electronic
Active built-in amplifier module 80 W
1
2
1
2