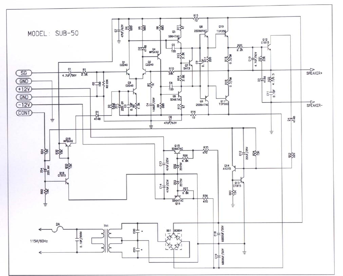
Circuit diagram
Manuals
Brands
Unbranded Manuals
Speakers Electronic
Active built-in amplifier module 80 W
1
2
1
2
Summary of content (2 pages)
PAGE 1
PAGE 2