Data Sheet
Table Of Contents
- FEATURES
- APPLICATIONS
- DESCRIPTION/ORDERING INFORMATION
- Absolute Maximum Ratings
- Recommended Operating Conditions
- Electrical Characteristics
- Driver Section Electrical Characteristics
- Driver Section Switching Characteristics
- Receiver Section Electrical Characteristics
- Receiver Section Switching Characteristics
- ESD Protection
- Auto-Powerdown Section Electrical Characteristics
- Auto-Powerdown Section Switching Characteristics
- PARAMETER MEASUREMENT INFORMATION
- PARAMETER MEASUREMENT INFORMATION
- PARAMETER MEASUREMENT INFORMATION
- APPLICATION INFORMATION

www.ti.com
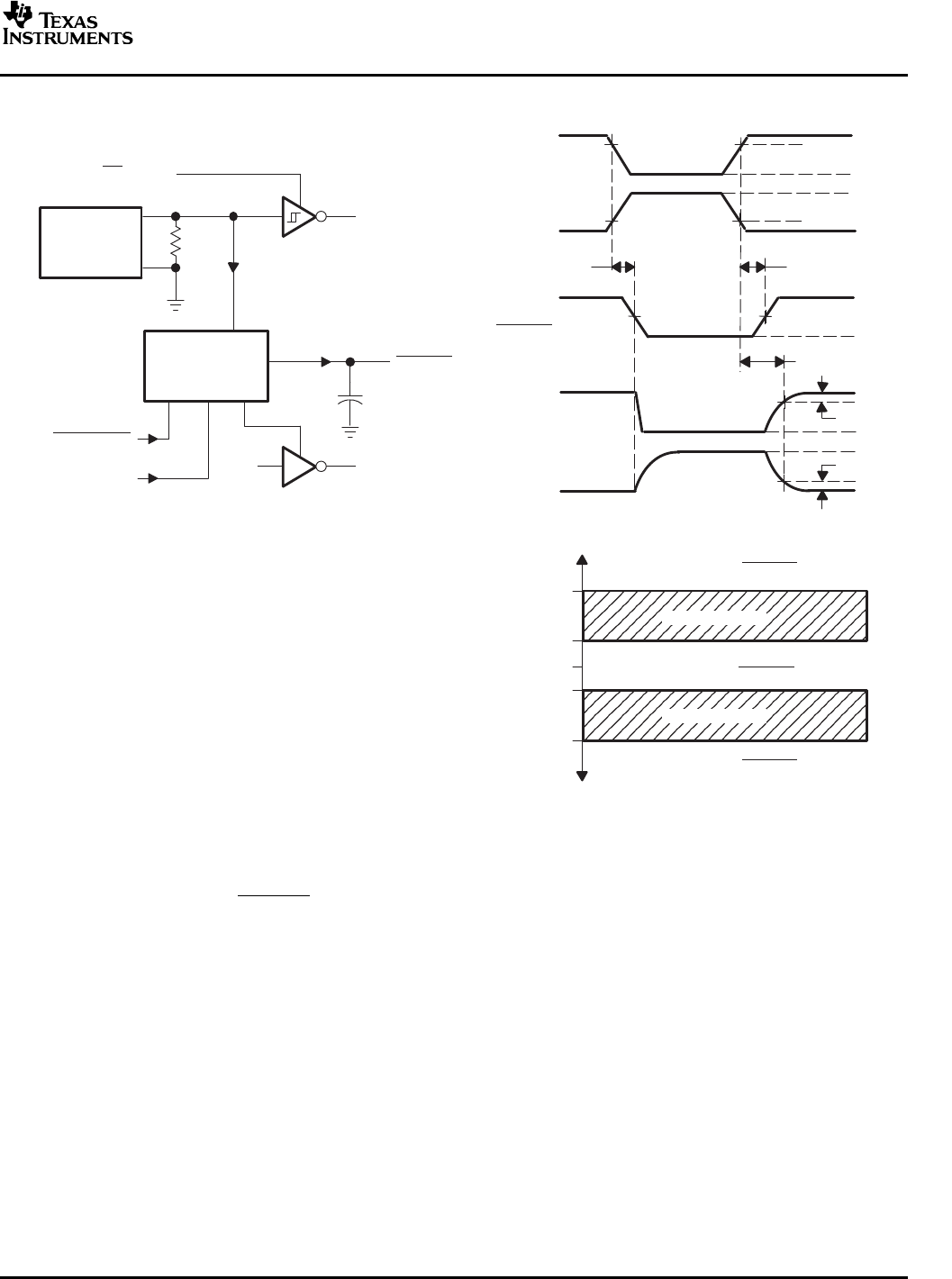
PARAMETER MEASUREMENT INFORMATION
TEST CIRCUIT
50 Ω
Generator
(see Note B)
FORCEOFF
ROUT
FORCEON
Auto-
powerdown
INVALID
DOUTDIN
C
L
= 30 pF
(see Note A)
2.7 V
−2.7 V
0.3 V
−0.3 V
0 V
Valid RS-232 Level, INVALID High
Indeterminate
Indeterminate
If Signal Remains Within This Region
For More Than 30 µs, INVALID
Is Low
†
Valid RS-232 Level, INVALID
High
†
Auto-powerdown disables drivers and reduces supply
current to 1 µA.
NOTES: A. C
L
includes probe and jig capacitance.
B. The pulse generator has the following characteristics: PRR = 5 kbit/s, Z
O
= 50 Ω, 50% duty cycle, t
r
≤ 10 ns, t
f
≤ 10 ns.
VOLTAGE WAVEFORMS
3 V
2.7 V
−2.7 V
INVALID
Output
Receiver
Input
t
valid
0 V
0 V
−3 V
V
CC
0 V
≈V+
0 V
≈V−
V+
V
CC
t
en
V−
50% V
CC
50% V
CC
2.7 V
−2.7 V
0.3 V
0.3 V
t
invalid
Supply
Voltages
EN = GND
MAX3221E
3-V TO 5.5-V SINGLE-CHANNEL RS-232 LINE DRIVER/RECEIVER
WITH 15-kV IEC ESD PROTECTION
SLLS686A – OCTOBER 2005 – REVISED MAY 2006
Figure 5. INVALID Propagation Delay Times and Driver Enabling Time
9
Submit Documentation Feedback










