Instruction manual
Table Of Contents

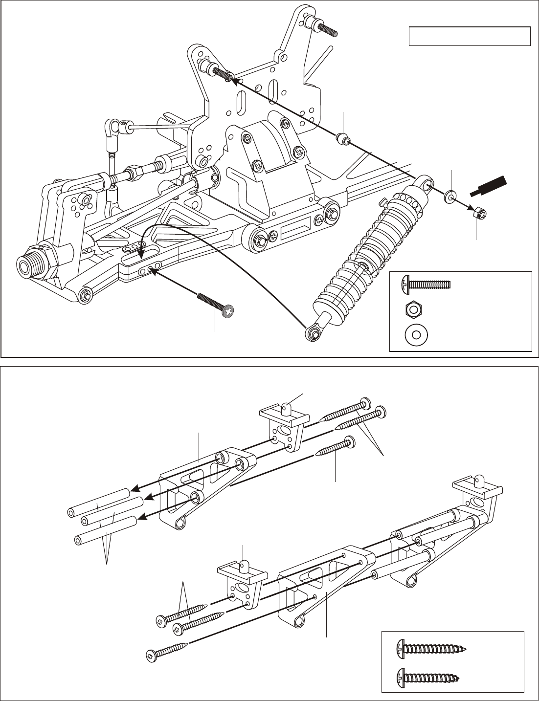
ASSEMBLY OF THE WING STAY ONTO THE SHOCK TOWER
3 x 25mm
Cap Screw
3mm
Nylon Locknut
4 x 15mm
Tapping Screw
3 X 25mm Cap Screw
4 x 15mm Tapping Screw
M3 Nylon Locknut
ASSEMBLY OF THE SERVO SAVER
#36743
6mm
E-Ring
#36743
6mm
E-Ring
#36743
6mm
E-Ring
#36743
6mm
E-Ring
#36740
Servo Saver Kit
#36740
Servo Saver Kit
#36740
Servo Saver Kit
#36740
Servo Saver Kit
#36740
Servo Saver Kit
#36741
Servo Saver
Spring
#36744
Saver Saver
Post
#36744
Saver Saver
Post
Plastic Tube
3 x 15mm
Screw
#36742
Servo Saver
Bushing
#36750
Servo Saver
Connector
3mm
Nylon Nut
3mm
Nylon Nut
6 mm E-Ring
M3 Nylon Locknut
3 x 15mm Screw
Wing Stay
Assembly
* Insert 3mm nylon locknut
into win stay.
Screw
Cement
#30411
6mm
Ball Joint
#36610
Spacer, Shock Support
* Insert shock ball end
into arm.
3 x 15mm
Screw
Assembly of the right and left hand side
are the same.
ASSEMBLY OF THE REAR SHOCKS ONTO
THE SHOCK TOWER
ASSEMBLY OF THE WING SUPPORT
3 x25mm
Tapping Screw
3 x25mm
Tapping Screw
3 x 20mm
Tapping screw
3 x 20mm
Tapping screw
#30270
Wing Support
( Right )
#30270
Wing Support
(Left)
#30370
Wing Support
#30370
Wing Support
Plastic Post
3 x 25mm
Tapping Screw
3 x 20mm
Tapping Screw
3 x 15mm Screw
3mm Nylon Locknut
3 X 8mm Washer
3mm
Nylon Locknut
3 x 8mm
Washer
#30371
Wing Mount










