User Guide

USER GUIDE
Integrated Panel Dimensions
u-line.com
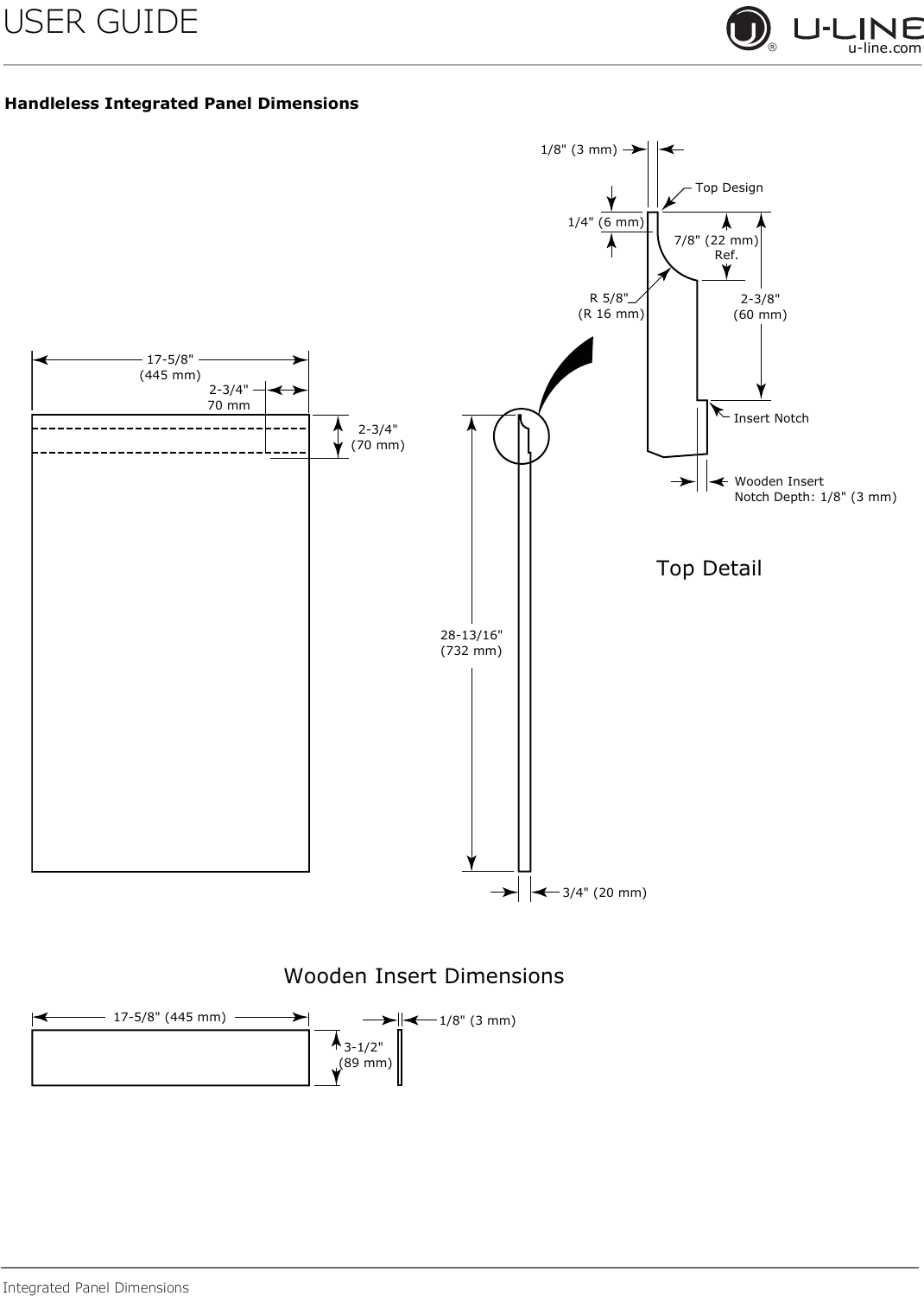
Handleless Integrated Panel Dimensions
3/4" (20 mm)
28-13/16"
(732 mm)
2-3/4"
(70 mm)
2-3/4"
70 mm
R 5/8"
(R 16 mm)
1/8" (3 mm)
1/4" (6 mm)
Wooden Insert
Notch Depth: 1/8" (3 mm)
2-3/8"
(60 mm)
7/8" (22 mm)
Ref.
Top Detail
Insert Notch
Top Design
1/8" (3 mm)
3-1/2"
(89 mm)
17-5/8" (445 mm)
Wooden Insert Dimensions
17-5/8"
(445 mm)
14










