Transport GT20 B5161 Product Manual

Table Of Contents
12 Chapter 1: Overview
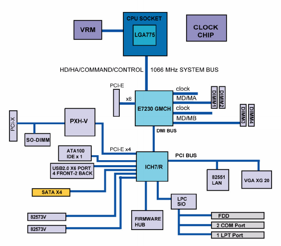
1.4.5 Motherboard Block Diagram