
ARCMASTER
®
160 S
March 31, 2006 A-3
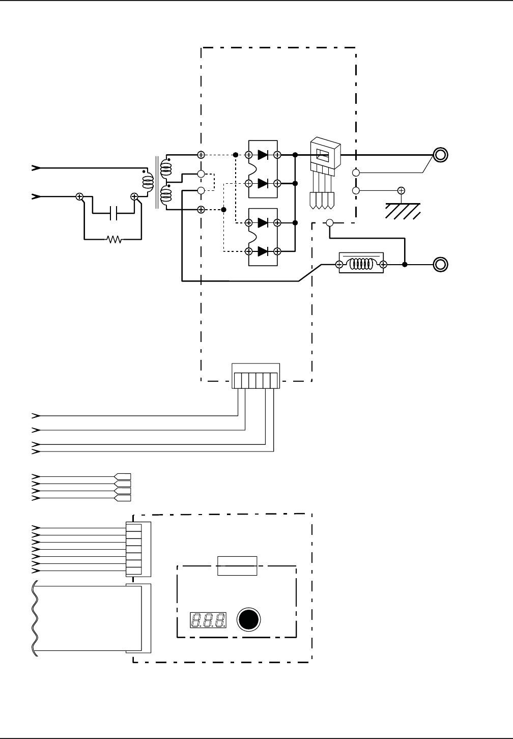
CN1
PCB3
2nd Diode
Cir cuit Board
[WK-5468]
+Output
Te r mina l
-Output
Te r mina l
TO1
TO2
TB 51
2
3
4
-12
+12
IS
GND
C1
R1
T1
D2
D3
TB 6
CT 1
CN2
CN2
PCB4
Contr ol
Cir cuit Board
[WK-5449]
PCB5
Panel
Cir cuit Board
[WK-5448]
1
2
3
4
5
6
7
CN3
SIDE CHASSIS 2
TB 7
-12
+12
IS
GND
FCH1
2345
CN1
61
TB 2
TB 4
TB 3
TB 1