
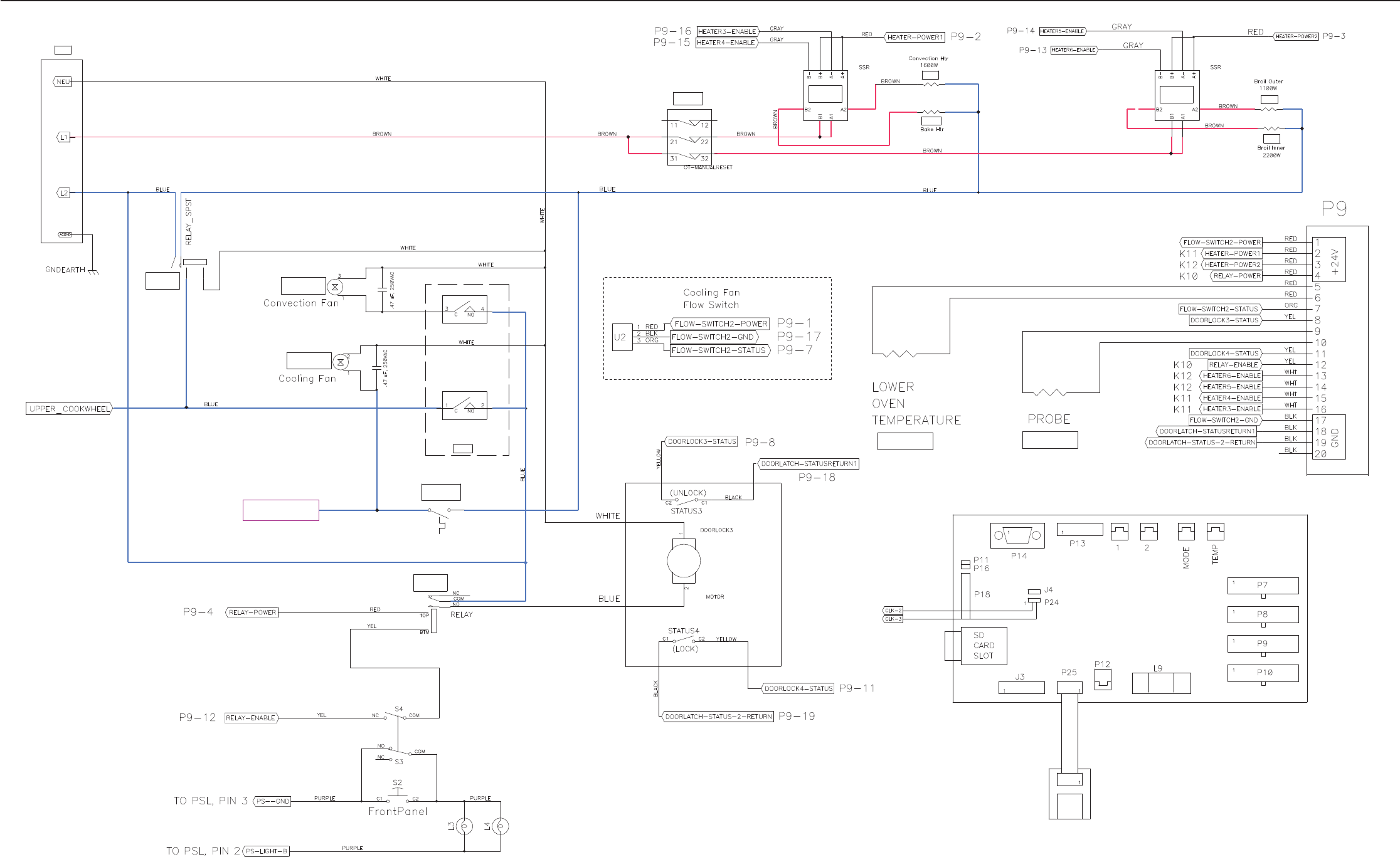
7.2 OVEN SCHEMATICS
L2
L1
FAN3
K10
HX3
K13
FAN2
SW9
LCW
HX4
COM
NO
OT2
N.O. THERMAL SWITCH
160°F OPERATION
K11
DOOR LIGHT SWITCH
1 TO 1 RIBBON CABLE
USB1
TO CLOCK
ASSEMBLY
USB
RECEPTACLE
PRTD3
PRTD2
DOOR LATCH
ASSEMBLY
LOWER COOK WHEEL
HX5
K12
HX6
C
LTB
B
A
TO FUSE F3
2700W
(Generation 1)
TDO Bottom Oven