Datasheet

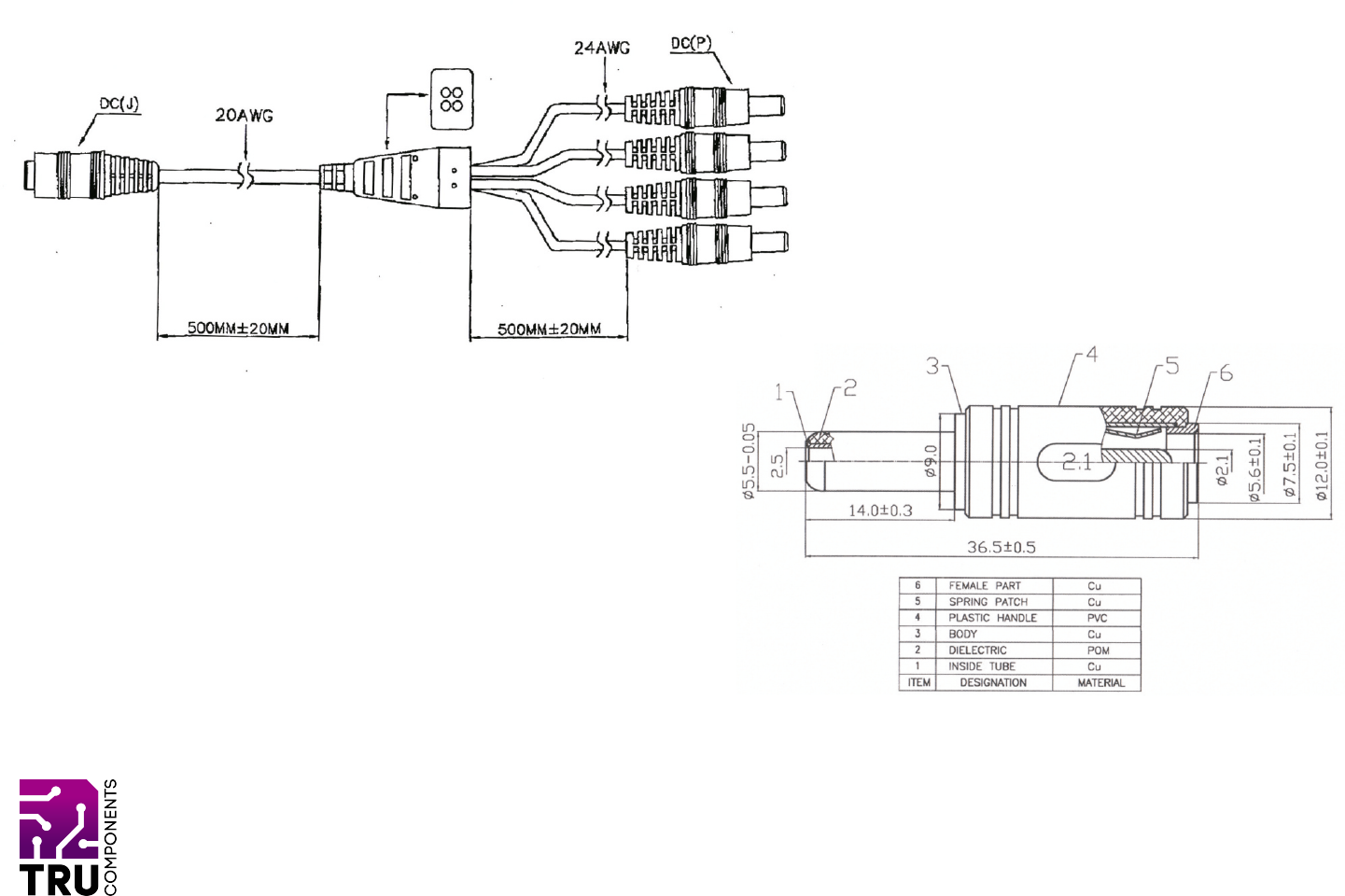
Max. Belastbarkeit
Adapter: 12V/5A
Verteiler: 20V/2A
Distributed by Conrad Electronic SE • Klaus-Conrad-Str. 1 • D-92240 Hirschau
Datasheet
Item no. 001582700 V1_0617_02

Summary of content (1 pages)