Datasheet
Manuals
Brands
TRU COMPONENTS Manuals
HF Connectors
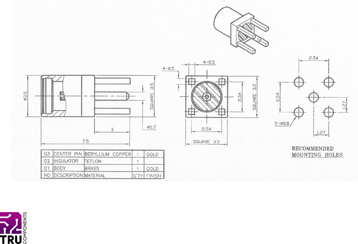
MMCX connector Plug, vertical mount 1 pc(s)
1
Distributed by Conrad Electronic SE • Klaus-Conrad-Str. 1 • D-92240 Hirschau
Datasheet
Item no. 001579341
V1_0617_02
1
Summary of content (1 pages)
PAGE 1
Distributed by Conrad Electronic SE • Klaus-Conrad-Str. 1 • D-92240 Hirschau Datasheet Item no.