User's Manual

E18
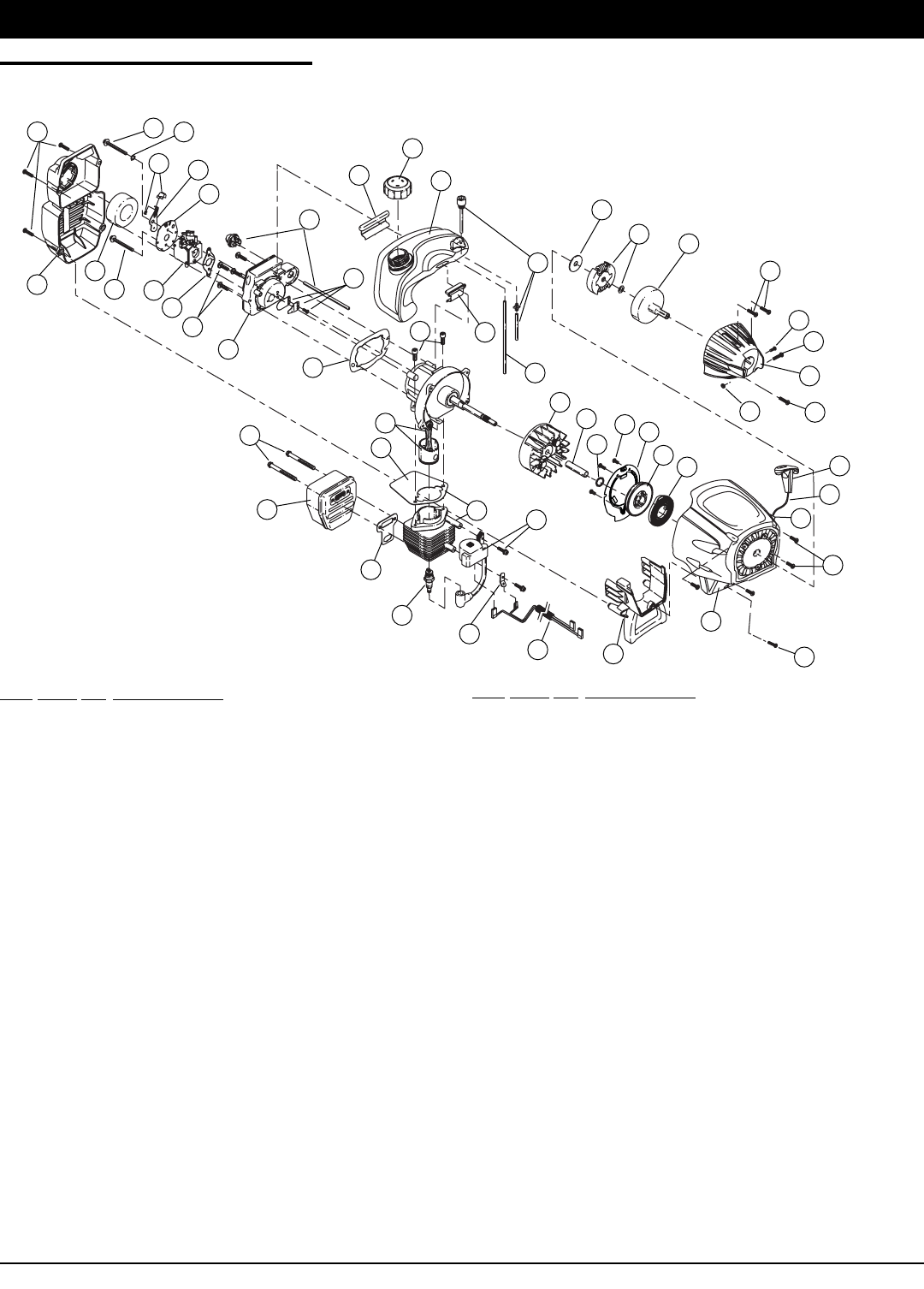
PARTS LIST
REPLACEMENT PARTS - MODEL BRONCO TB70SS
2-CYCLE GAS TRIMMER
Item Part No. Description
32 753-04402 Starter Housing Assembly
(includes 24-31, 33 & 38)
33 791-181862 Housing Screw
34 791-182396 Clutch Washer
35 753-05722 Clutch Rotor Assembly
36 753-05723 Clutch Drum Assembly
37 753-04403 Clutch Cover Assembly (includes 38-41)
38 791-181345 Cover Screw
39 791-182519 Anti-Rotation Screw
40 753-04003 Clamping Screw
41 791-180217 Clamping Nut
42 753-05025 Wire Leads and Sleeve
43 791-611063 Ground Tab
44 753-04336 Module Assembly
45 791-610311B Spark Plug
46 753-05169 Muffler Assembly
(includes 47, 48 & Spark Arrestor)
47 753-04619 Exhaust Gasket
48 753-04620 Muffler Mounting Bolts
49 753-04814 Cylinder Assembly (includes 51 & 52)
50 753-04367 Piston and Rod Assembly
51 753-04182 Cylinder Gasket
52 791-182723 Cylinder Bolt
* 753-1209 Piston Ring Set
* 753-04812 Short Block Assembly
(includes Crankcase, 10, 45 & 49-52)
* Items Not Shown
38
1
2
3
8
10
12
3
7
11
13
14
50
51
20
52
18
15
16
17
19
34
35
36
22
23
30
24
25
28
26
41
32
21
43
49
45
47
48
9
42
39
38
37
Item Part No. Description
1 753-04511 Air Cleaner Cover Assembly (includes 2 & 38)
2 791-180350B Air Cleaner Filter
3 791-180351 Carburetor Mounting Screw Assembly
4 791-180226 Wavey Washer
5 791-182202 Choke Knob w/Screw
6 753-04418 Choke Lever (includes 5)
7 753-04419 Choke Plate (includes 6)
8 753-05133 Carburetor Assembly (includes 9 & 19)
9 791-610675 Carburetor Gasket
10 791-181860 Carb Mount Screw
11 791-683947B Primer & Hose Assembly
12 753-1196 Carb Mount Assembly (includes 10, 13 & 14)
13 791-684451 Reed Assembly
14 753-1208 Carburetor Mount Gasket
15 791-612134 Rear Mounting Pad
16 753-04307 Fuel Tank Assembly (includes 17-19)
17 791-182529 Fuel Cap Assembly
18 791-181086 Fuel Return Line
19 753-04233 Fuel Line Assembly
20 791-145308 Front Mounting Pad
21 753-05091 Shroud Extension & Stand (includes 38)
22 753-05240 Flywheel Assembly
23 791-181525 Spacer
24 753-04459 Recoil Pulley Assembly (includes 27 & 29)
25 753-04286 Recoil Spring
26 753-1200 Rope Guide
27 753-04288 Pulley Retainer
28 791-181079 Pull Handle
29 791-613103 Rope
30 753-04417 Pressure Plate Assembly (includes 31)
31 753-1202 Plate Screw
31
27
29
38
40
46
38
4
6
5
33
44










