Flash Memory Card Datasheet

T
T
T
S
S
S
1
1
1
6
6
6
G
G
G
~
~
~
6
6
6
4
4
4
G
G
G
C
C
C
F
F
F
4
4
4
0
0
0
0
0
0
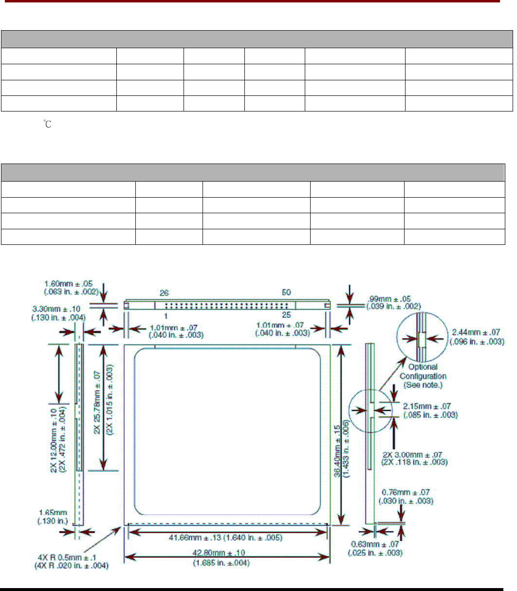
400X CompactFlash Card
Transcend Information Inc.
V1.0
3
Note : 25 , according to IDE to CF card transferring board test on ASUS P4S800-MX, 1GB RAM, IDE interface support
UDMA6, Windows
®
XP Version 2002 SP2, CrystalDiskMark, copied file 100MB
* Note: FAT32 format
Performance
Model P/N Capacity Read(MB/s)
Write(MB/s)
Random Read (MB/s)
Random Write (MB/s)
TS16GCF400 16GB 83.67 44.96 82.38 8.671
TS32GCF400 32GB 86.16 45.82 85.09 10.99
TS64GCF400 64GB 88.87 39.67 88.48 10.59
Actual Capacity
Model P/N User LBA Cylinder Head Sector
TS16GCF400 31293360 31045 16 63
TS32GCF400 62537328 62041 16 63
TS64GCF400 125059072 16383 15 63
Transcend










