Flash Memory Card Datasheet
Manuals
Brands
Transcend Information Manuals
Camera Accessories
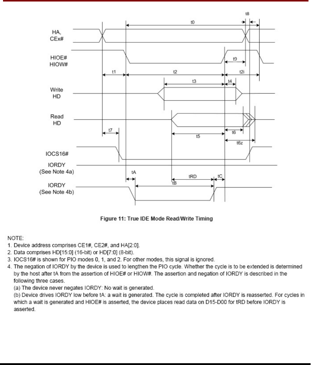
CompactFlash 400X
21
22
23
24
25
26
27
28
29
30
T
T
T
S
S
S
1
1
1
6
6
6
G
G
G
~
~
~
6
6
6
4
4
4
G
G
G
C
C
C
F
F
F
4
4
4
0
0
0
0
0
0
400X Compa
ctFlash Card
Transcen
d Info
rmation In
c.
V1.0
29
1
...
...
27
28
29
30
31
...
...
88