Flash Memory Card Datasheet

T
T
T
S
S
S
1
1
1
6
6
6
G
G
G
~
~
~
6
6
6
4
4
4
G
G
G
C
C
C
F
F
F
4
4
4
0
0
0
0
0
0
400X CompactFlash Card
Transcend Information Inc.
V1.0
22
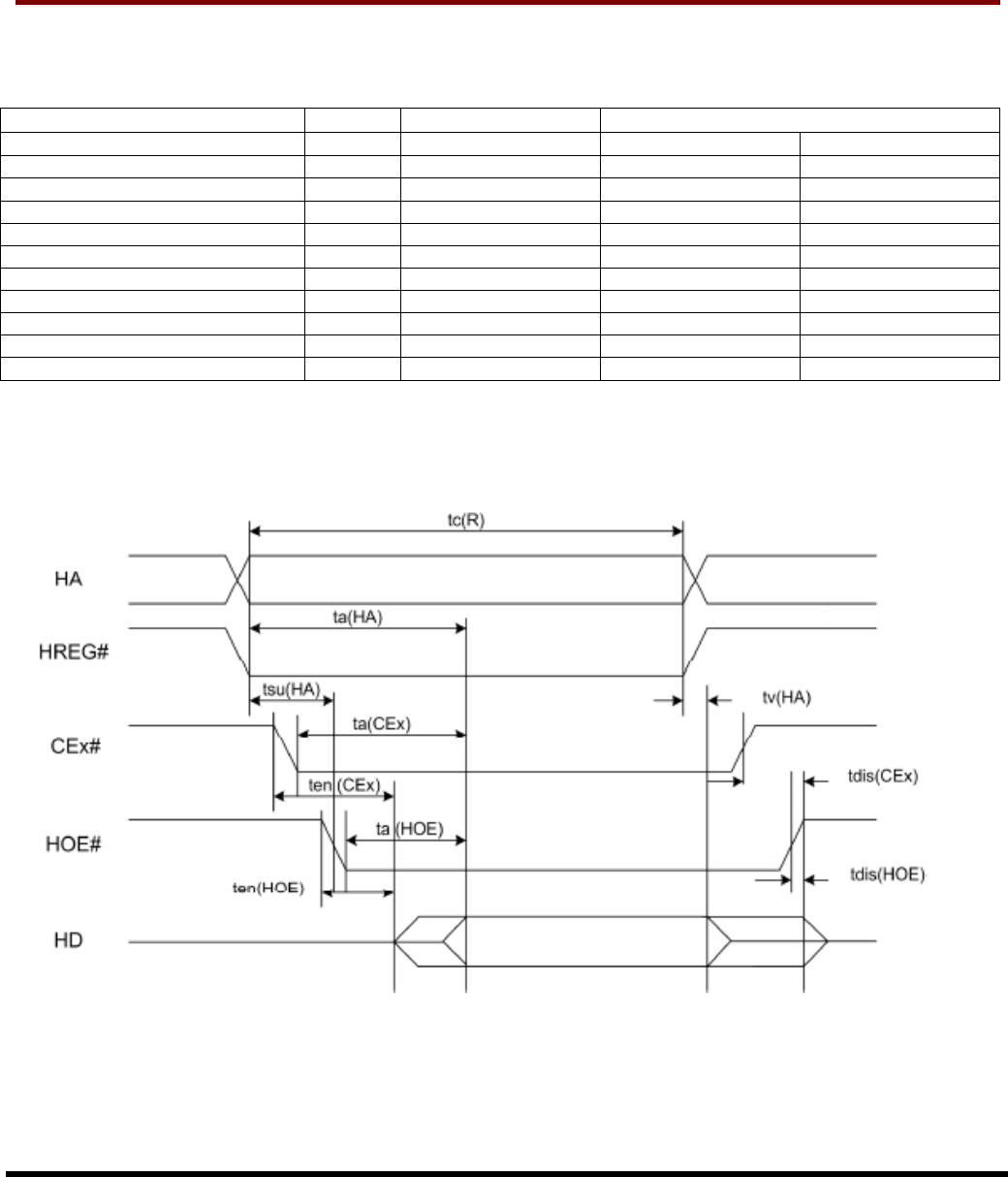
Attribute Memory Read Timing Specification
Attribute Memory access time is defined as 300 ns. Detailed timing specs are shown in Table below
Speed Version 300 ns
Item
Symbol
IEEE Symbol
Min ns.
Max ns.
Read Cycle Time tc(R) tAVAV 300
Address Access Time ta(A) tAVQV 300
Card Enable Access Time ta(CE)
tELQV 300
Output Enable Access Time ta(OE)
tGLQV 150
Output Disable Time from CE tdis(CE)
tEHQZ 100
Output Disable Time from OE tdis(OE)
tGHQZ 100
Address Setup Time tsu (A)
tAVGL 30
Output Enable Time from CE ten(CE)
tELQNZ 5
Output Enable Time from OE ten(OE)
tGLQNZ 5
Data Valid from Address Change
tv(A) tAXQX 0
Note: All times are in nanoseconds. Dout signifies data provided by the CompactFlash Storage Card to the system. The -CE signal or
both the -OE signal and the -WE signal shall be de-asserted between consecutive cycle operations.










