Operation Manual

Schema's
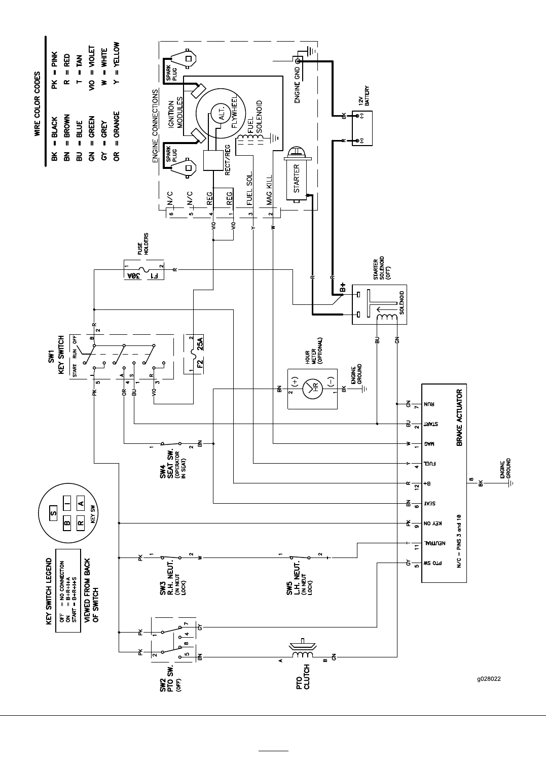
Installatieschema(Rev.A)
52