Operation Manual
Manuals
Brands
Tiptel Manuals
Central
2-8 cnip
1
2
3
4
5
6
7
8
9
10
3
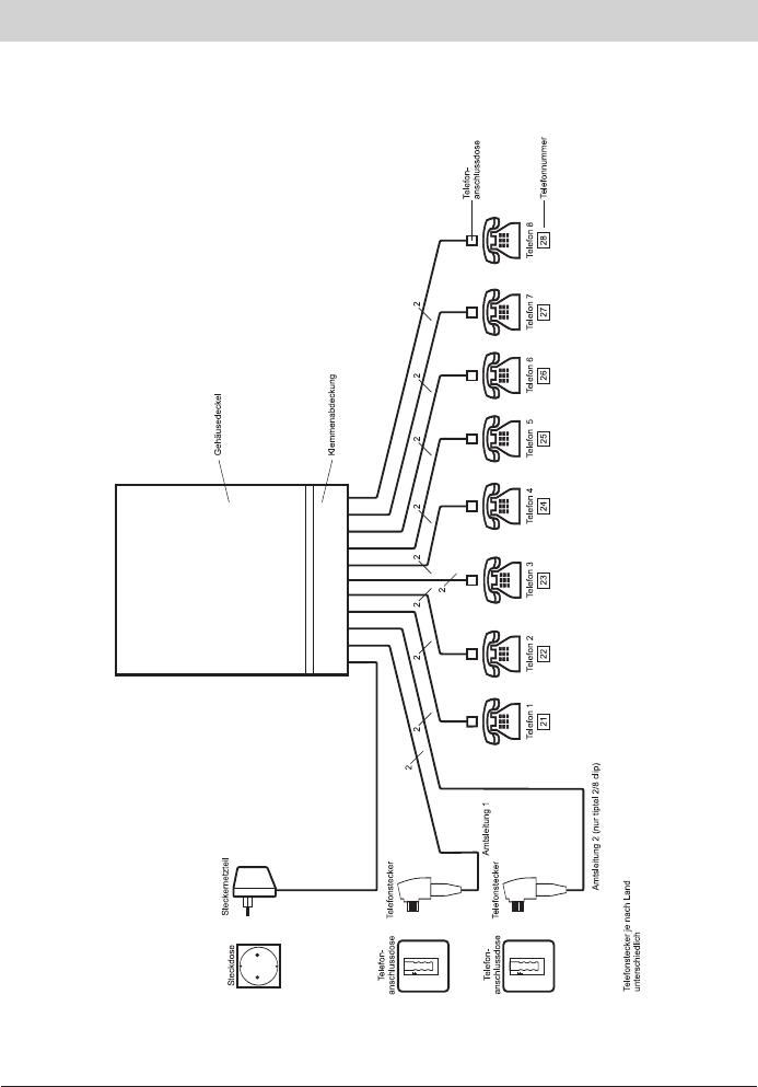
Anschluss von 8 T
elefonen
1
2
3
4
5
...
...
72