Installation Manual

English 15
Wiring the Hood with an Inline Blower
To minimize noise in the kitchen, these blowers are
mounted along the duct line anywhere between the kitchen
and the exterior wall. If there is easy access to duct line (in
an attic, for example), this may be an appealing option.
1. Remove junction box channel covering the wires (see
Figure 9 on page 11).
2. Remove circular knockouts (Figure 9 on page 11).
3. Install 1” (25.4 mm) conduit connectors.
4. Run black, white, and green wires (#12 AWG) in 1”
(25.4 mm) conduit from power supply to junction box.
5. Connect the power supply wires to the hood wires in
the following order: black to black, white to white, and
green wire to green ground screw on chassis. Use
spring type wire nuts.
• Wire nuts should be spring type wire nuts rated for
a minimum of two (2) #18 gauge wires and
maximum of four (4) #14 gauge wires, UL & CSA
rated to 600V and 302°F (150°C).
6. Connect the “pigtail” to the connector inside the
junction box.
7. Run five (5) wires (#14 AWG) in 1” (25.4 mm) conduit
from the inline blower to the second conduit connector.
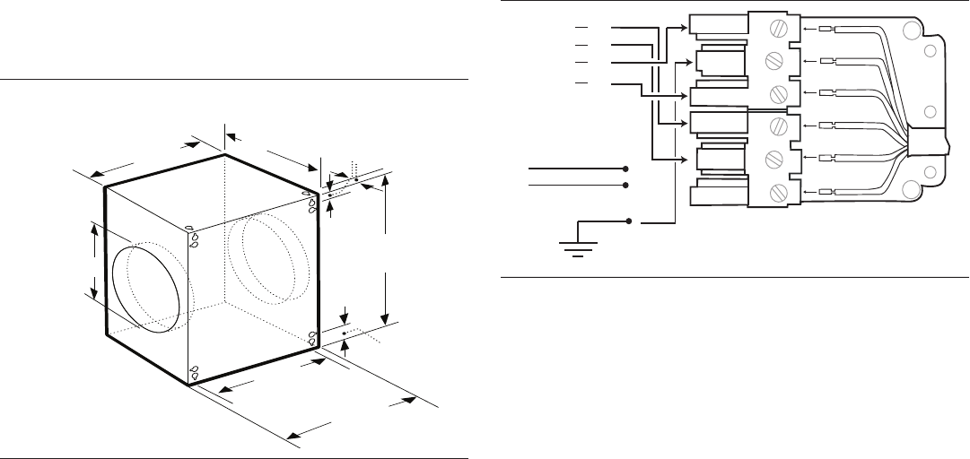
8. Connect the inline blower to the pigtail wires as per
Figure 20. Connect the inline blower green (ground)
wire to the ground screw in the junction box.
9. Reinstall the junction box channel.
measurements in inches (mm)
Figure 19: VTI1010 Inline Blower
12
1/
8
"
(308)
14
3/
8
"
(365)
7/
8
" (22)
1
3/
4
"
(44)
19
1/
8
"
(486)
ø9
7/
8
"
(251)
12
"
(305)
12
7/
8
"
(327)
Figure 20: Wiring the Hood with an Inline Blower
SPEED 1
SPEED 2
SPEED 3
NEUTRAL
RD
BU
BN
WH
SP4
GROUND
N
SP1
SP2
SP3
Brown
Brown
Brown
Green/Yellow
Green/Yellow
Green/Yellow
White
White
White
Red
Red
Red
Blue
Blue
Blue
Orange
Orange
Orange
WH / BC / BL (16 AWG)
BK / N / NE (16 AWG)
120V, 60HZ, 20A
POWER SUPPLY
L1NT1T2S3










