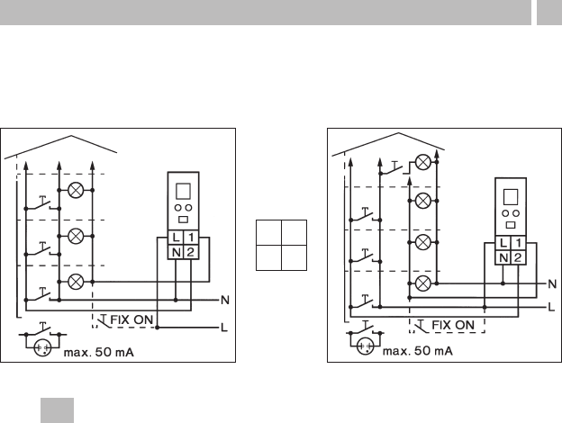
. Note: 3-line connection for new systems not permissible! 3-line connection GB 4-line connection L 1 N 2 Connections 1
2. Putting into operation/use 2.1 Setting the operation time/operating state The operating time is displayed during setting. 1 … 995 minutes Key + 05; Key – 995; 99 … 05 minutes – + Hand switch, light continuously ON Key Function: Continuous/ON Display: Function: Set time Display: when the unit is activated when the unit is not activated 2.2 Operation for the user Key in stairwell Press 1x, approx. 1 sec. = Press 1x, approx. 3 sec.
2. Putting into operation/use 2.3 Diagnosis a) Key check If one of the keys in the stairwell is pressed, appears in the display. If this symbol is continuously displayed, one or more keys may be blocked or even defective. b) Lamp ON period/operating hours (displayed value x 100) – + Begin: Press keys + and – simultane Example: 05 = 50 hours 1 = 100 hours 15 = 150 hours etc.
3.