Instruction Manual

6
D GB F I E P NL CZ
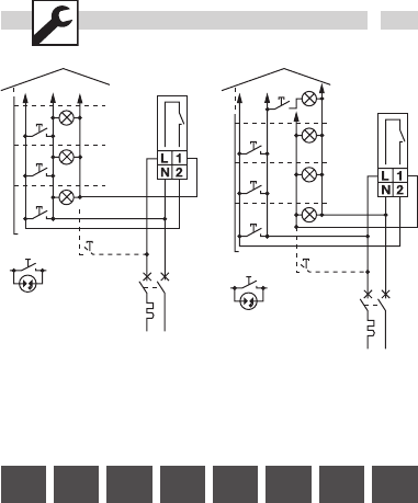
L
N
FIX ON
max. 150 mA
3-Draht-Anschluss
3 wires connection
Raccordement 3 fils
Connessione a 3 fili
Conexión de 3 hilos
Ligação de 3 fios
3-draads aansluiting
Třídrátová koncovka vodiče
L
N
FIX ON
max. 150 mA
4-Draht-Anschluss
4 wires connection
Raccordement 4 fils
Connessione a 4 fili
Conexión de 4 hilos
Ligação de 4 fios
4-draads aansluiting
Čtyřdrátová koncovka vodiče










