User's Manual
Table Of Contents

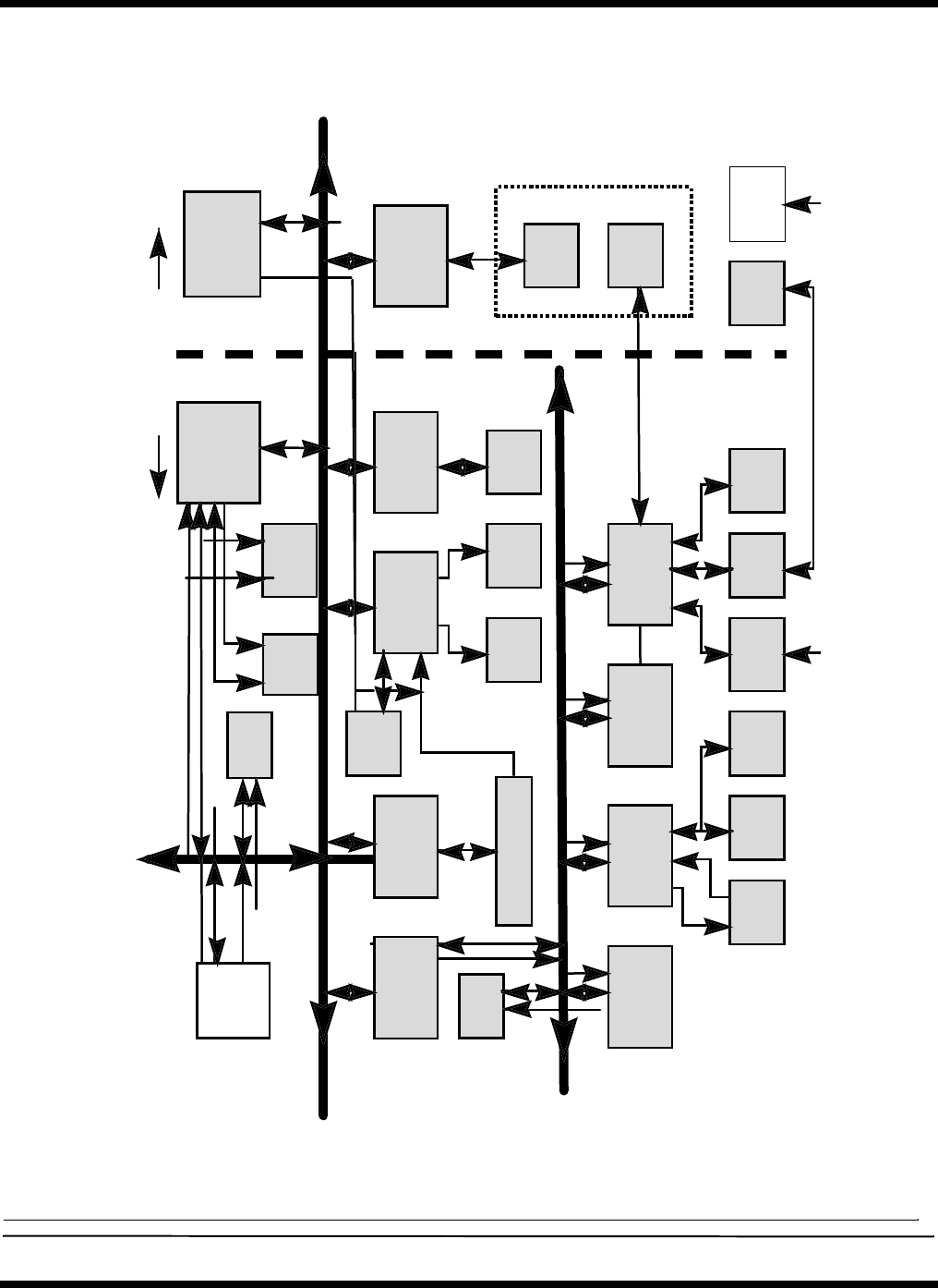
4-4 Theory of Operation
Figure 4-2 Detailed System Block Diagram
CPU
M1521
M1523
PCI BUS
ISA BUS
PCI1130 65550/S3
PCI0643
PCI0643
ESS1878S
M38813
M6377
87338
CD-ROM
FDD
PARALLEL
PORT
SERIAL
PORT
FIR
PARALLEL
PORT
SERIAL
PORT
HDD
PCMCIA
CRT
LCD
VIDEO
RAM
INTERNAL
KB
PS2
TOUCH
PAD
L2 CACHE
16MB
RAM
DIMM*1
HOST BUS
BIOS
$CPU_D(63:0)
$CPU_A(31:3)
$CPU_D(63:0)
$CPU_A(17:3)
$CPU_D(63:0)
$CPU_A(31:3)
AD(31:0)
$MD(63:0)
$MA(11:0)
AD(31:0)
AD(31:0)
AD(31:0)
AD(31:0)
AD(31:0)
AD(31:0)
SD(15:0)
SD(15:0)
SD(15:0)
SD(15:0)
SD(15:0)
SA(11:0)
SA(9:0)
SA2
SA(9:0)
Y(7:0)
UV(7:0)
Y(7:0)
UV(7:0)
RDATA#,WDATA#
SA(16:0),LA(23:17)
MEDIA BAY
Notebook MPB
Advanced
PCI Card










