User's Manual
Table Of Contents

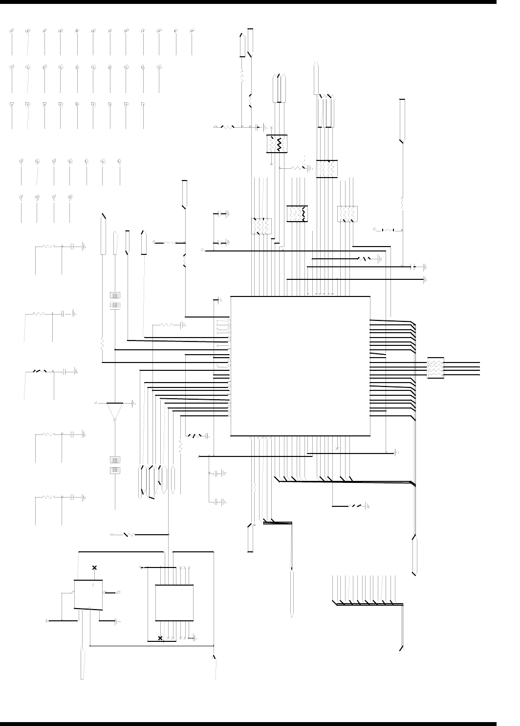
MPB Schematic Diagrams B-7
Figure B-3 MPB Main Board (Motherboard) Logic Diagrams (Sheet 2 of 10)
12
R21
22R3
12
R39
DUMMY-R3
GNT#1
IDE_DACK0#
INTC#
IDE_DACK0#
GNT#1
TP110
1
8
3,10
3
4
1
4
7
U11B
SSHC14
1 2
R158
DUMMY-R3
IRQ15
+5V
TP377
D
12
CLK
11
Q
9
Q
8
VCC
14
P
R
1
0
GND
7 C
L
1
3
U5B
SOHCT74
1
2
R163
47KR3
CD_PASS#
+5V
+5V
+5V
TP378
NC
1
/1OE
2
1A
3
1Y
4
/2OE
5
2A
6
GND
8
2Y
7
NC
9
3Y
10
3A
11
/3OE
12
4Y
13
4A
14
/4OE
15
VCC
16
U24
QS3125
FRAME#
PCIRST#
FRAME#
+5V
1
TP380
1 2
R19
20KR3
C3
SCD1U
C4
SC1KP
IRDY#
STOP#
PAR
PERR#
DEVSEL#
TRDY#
IDE_DRQ0
$PCICLK0
AD24
IRDY#
STOP#
PAR
PERR#
DEVSEL#
TRDY#
IDE_DRQ0
PCIRST#
$PCICLK0
TP112
T
P
2
6
7
T
P
3
3
4
+3.3V
1,8,10
1,8,10
1,8,10
1,8,10
1,8,10
1
1,8,10
3
1
2
R33
10KR3
12
R20
22R3
RESET#
1
PCIMODE
2
C/BE3#
3
C/BE2#
4
C/BE1#
5
C/BE0#
6
AD31
7
AD30
8
AD29
9
AD28
10
AD27
11
AD26
12
AD25
13
AD24
14
VSS
15
VDD
16
AD23
17
AD22
18
AD21
19
AD20
20
ENIDE
21
IRQ14
22
AD19
23
AD18
24
AD17
25
A
D
1
6
2
6
V
S
S
2
7
A
D
1
5
2
8
A
D
1
4
2
9
A
D
1
3
3
0
A
D
1
2
3
1
A
D
1
1
3
2
A
D
1
0
3
3
A
D
9
3
4
A
D
8
3
5
D
S
D
1
5
3
6
D
S
D
1
4
3
7
D
S
D
1
3
3
8
D
S
D
1
2
3
9
V
S
S
4
0
V
D
D
4
1
A
D
7
4
2
A
D
6
4
3
A
D
5
4
4
A
D
4
4
5
A
D
3
4
6
A
D
2
4
7
A
D
1
4
8
A
D
0
4
9
D
S
D
1
1
5
0
DSD10
51
DSD9
52
DSD8
53
VSS
54
DCS0#
55
DCS1#
56
DIOR#
57
DIOW#
58
DRST#
59
DMARQ1
60
TEST1#
61
DSD7
62
DSD6
63
DSD5
64
DSD4
65
VSS
66
VDD
67
DSA0
68
DSA1
69
DSA2
70
DSD3
71
DSD2
72
DSD1
73
DSD0
74
DIRQ1
75
D
C
H
R
D
Y
7
6
2
N
D
I
O
R
#
7
7
2
N
D
I
O
W
#
7
8
D
C
S
3
#
7
9
D
C
S
2
#
8
0
P
C
I
R
E
Q
#
8
1
P
C
I
G
N
T
#
8
2
I
R
Q
1
5
8
3
I
N
T
A
#
8
4
T
E
S
T
0
8
5
D
I
R
Q
2
8
6
2
N
D
I
D
E
E
N
#
/
D
M
A
C
K
0
#
8
7
D
M
A
C
K
1
#
8
8
P
C
I
C
L
K
8
9
V
S
S
9
0
V
D
D
9
1
T
R
D
Y
#
9
2
D
E
V
S
E
L
#
9
3
D
M
A
R
Q
0
9
4
P
E
R
R
#
9
5
P
A
R
9
6
S
T
O
P
#
9
7
F
R
A
M
E
#
9
8
I
R
D
Y
#
9
9
I
D
S
E
L
1
0
0
U4
PCI0643Q
1
2
3
45
6
7
8
RP18
SRN22
C1
SCD1U
C2
SC1KP
12
R23
22R3
REQ#1
IDE_RDY
REQ#1
TP351TP293
+3.3V
1,10
3
1
2
R24
1KR3
+5V
SC
1
2
RX6
10KR3
SB
12
R22
22R3
1
2
R37
4K7R3
1 2
R38
0R3
IRQ15
IDE_IRQ
TP269
1,10
3
NOT INSTALL
1
2
3
4 5
6
7
8
RP21
SRN22
C6
SC470P
IDE_A0
IDE_A1
IDE_A2
IDE_IOW#
IDE_IOR#
IDE_CS0#
IDE_CS1#
IDE_RST#
IDE_A0
IDE_A1
IDE_A2
IDE_RST#
3,10
3,10
3,10
3,10
3,10
3,10
3,10
3,10
1
2
3
4
5
6
7
8
RP19
SRN22
1
2
3
4
5
6
7
8
RP20
SRN22
1
2
3
4
5
6
7
8
RP22
SRN22
1
2
R31
2K2R3
IDE_D0
IDE_D1
IDE_D2
IDE_D3
IDE_D4
IDE_D5
IDE_D6
IDE_D7
IDE_D8
IDE_D9
IDE_D10
IDE_D11
TP310
TP354
TP353
TP320
TP321
TP343
TP322
TP339
TP326
TP340
TP325
TP338
TP300
TP297
TP298
TP299
TP314
TP313
TP312
TP311
TP20
1
2
R36
10KR3
1
2
R32
2K2R3
AD17
AD18
AD19
AD20
AD21
AD22
AD23
AD24
AD25
AD26
AD27
AD28
AD29
AD30
AD31
C/BE#0
C/BE#1
C/BE#2
C/BE#3
TP319
TP29
+3.3V
PCI0643
C/BE#[0..3]
C/BE#[0..3]
IDE_D0
IDE_D1
IDE_D2
IDE_D3
IDE_D4
IDE_D5
IDE_D6
IDE_D7
IDE_D8
IDE_D9
IDE_D10
1,8,10
AD[0..31]
[0..15]
AD[0..31]
IDE_D11
IDE_D12
IDE_D13
IDE_D14
IDE_D15
IDE_D[0..15]
1,8,10
IDE CONTROLLER
12 3 4
5678
RP17
SRN22
A
D
8
A
D
9
A
D
1
0
A
D
1
1
A
D
1
2
A
D
1
3
A
D
1
4
A
D
1
5
A
D
1
6
I
D
E
_
D
1
2
I
D
E
_
D
1
3
I
D
E
_
D
1
4
I
D
E
_
D
1
5
T
P
3
4
9
T
P
3
4
8
T
P
3
4
7
T
P
3
4
6
C5
SC47P
1 2
R34
33R3
1
2
R35
1KR3
A
D
0
A
D
1
A
D
2
A
D
3
A
D
4
A
D
5
A
D
6
A
D
7
IDE_IOCS16#
+3.3V
IDE_IOCS16# 3
+3.3V
T310
TP-1
T354
TP-1
T353
TP-1
T320
TP-1
T321
TP-1
T343
TP-1
T322
TP-1
T297
TP-1
T346
TP-1
T347
TP-1
T300
TP-1
T338
TP-1
T325
TP-1
T340
TP-1
T326
TP-1
T339
TP-1
T313
TP-1
T312
TP-1
T311
TP-1
T349
TP-1
T348
TP-1
TP322
TP343
TP321
TP320
TP353
TP354
TP310
TP339
TP326
TP340
TP325
TP338
TP300
TP297 TP346
TP347
TP348
TP349
TP311
TP312
TP313
T351
TP-1
T269
TP-1
T298
TP-1
T299
TP-1
T314
TP-1
TP351
TP269
TP298
TP299
TP314
T20
TP-1
TP20
TP323
T323
TP-1
TP378
TP380
T378
TP-1
T380
TP-1
TP377
T377
TP-1
TP361
TP304
TP357
TP344
T293
TP-1
T110
TP-1
T334
TP-1
T112
TP-1
T267
TP-1
T29
TP-1
T319
TP-1
T361
TP-1
T304
TP-1
T357
TP-1
T344
TP-1
TP319
TP29
TP267
TP112
TP334
TP110
TP293
1
2
R40
47R3
C11
SC39P
TRDY#
TP344
1
2
R41
47R3
C10
SC39P
IRDY#
TP357
Not install
1
2
R42
47R3
C9
SC39P
$PCICLK0
TP323
1
2
R44
47R3
C8
SC39P
DEVSEL#
TP304
1
2
R43
47R3
C7
SC39P
FRAME#
TP361










