User's Manual
Table Of Contents

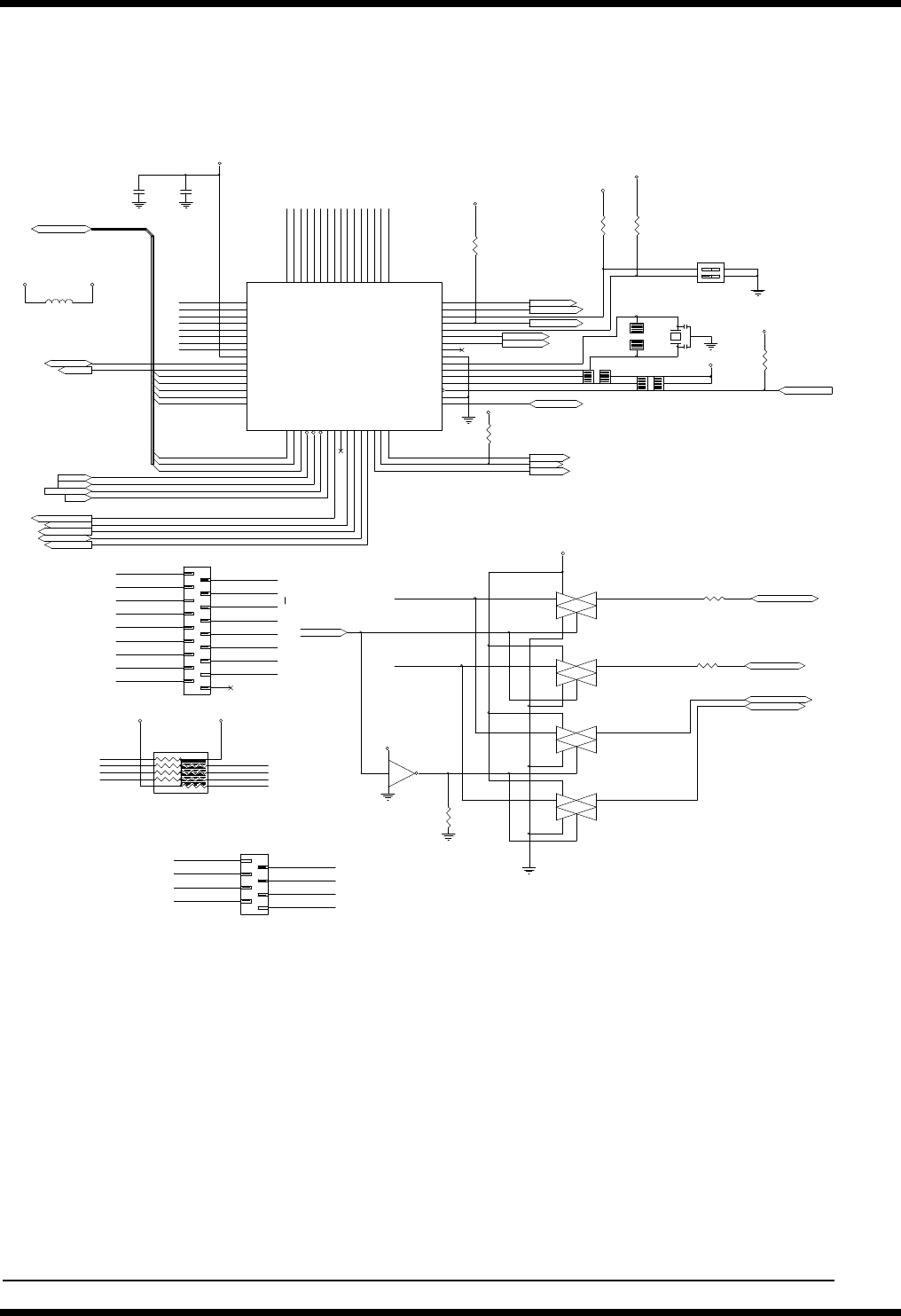
Notebook Schematic Diagrams A-15
Figure A-1 Notebook Main Board Logic Diagrams (Sheet 14 of 30)
PIN1,4
ON
OFF
PASSWORD ENABLE
PASSWORD DISABLE
MATRIX1 KB TYPE
0
1
TYPE 0
TYPE 1
19
10
1
2
4
3
SW1
LSM702
1
2
R87
10KR3
1
2
R84
100KR3
HOTKEY#
3.3V/5V#
+5V
KBC_5V
D
Q
2
1
D
Q
1
2
D
Q
0
3
W
R
#
4
R
D
#
5
C
S
#
6
A
0
7
P
5
3
/
S
R
D
Y
#
8
P
5
2
/
S
C
L
K
9
P
5
1
/
T
X
D
1
0
P
5
0
/
R
X
D
1
1
P
4
7
/
I
N
T
4
1
2
P
4
6
/
I
N
T
3
1
3
P
4
5
/
I
B
F
0
#
/
O
B
F
1
1
4
P
4
4
/
O
B
F
0
1
5
P
4
3
/
I
N
T
2
1
6
P37
49
P36
50
P35
51
P34
52
P33
53
P32
54
P31
55
P30
56
VCC
57
P61/CNTR0
58
P60/INT5/OBF2
59
DQ7
60
DQ6
61
DQ5
62
DQ4
63
DQ3
64
P42/INT1
17
CNVSS
18
RESET#
19
P41/INT0
20
P40
21
XIN
22
XOUT
23
VSS
24
P27
25
P26
26
P25
27
P24
28
P23
29
P22
30
P21
31
P20
32
P
1
7
3
3
P
1
6
3
4
P
1
5
3
5
P
1
4
3
6
P
1
3
3
7
P
1
2
3
8
P
1
1
3
9
P
1
0
4
0
P
0
7
4
1
P
0
6
4
2
P
0
5
4
3
P
0
4
4
4
P
0
3
4
5
P
0
2
4
6
P
0
1
4
7
P
0
0
4
8
U28
M38813
1
2
RY1
47KR3
K
C
O
L
1
K
C
O
L
2
K
C
O
L
3
K
C
O
L
4
K
C
O
L
5
K
C
O
L
6
K
C
O
L
7
K
C
O
L
8
K
C
O
L
9
K
C
O
L
1
0
K
C
O
L
1
1
K
C
O
L
1
2
K
C
O
L
1
3
K
C
O
L
1
4
K
C
O
L
1
5
K
C
O
L
1
6
HOTKEY#
KBC_5V
M+5V
SC:ADD RY1 PULLED-UP
KEYBOARD CONTROLLER
4,13,15,17,19,20,25
C153
SCD1U
1 2
L12
SCHOKE-D
C154
SC1KP
SD[0..7]
KROW6
KROW7
KROW8
SD[0..7]
KBC_5V M+5V
4
4
4
20
26
26
13
IOW#
IOR#
SA2
@KBCS#
TDATA
TCLK
ENEXTCMOS
SD3
SD4
SD5
SD6
SD7
SD0
SD1
SD2
KROW1
KROW2
KROW3
KROW4
KROW5
SA2
IOR#
IOW#
TDATA
TCLK
@KBCS#
1
2
RX09
20KR3
CLLED#
NLLED#
CLLED#
NLLED#
IRQ1
IRQ12
B_SMB_DATA
B_SMB_CLK
KBCLK
KBDATA
+5V
M38813
SB: ADD 20K PULL-UP TO @SUSRST
#
SB: ADD IRQ1 PULL-UP
4
4
10,11,15
21,26
21,26
28
28
1
3
2
X2
RESON-8MHZ
1
2
R83
DUMMY-R3
1
2
RX08
20KR3
12
R79
DUMMY-R3
12
R76
DUMMY-R3
IRQ1
IRQ12
@SUSRST#
KBCLK
KBDATA
SUSPEND#
KBC_5V
M+5V
20
27
27
21
21
1 2
1
4
71
3
U25A
SOHC4066
11 10
1
4
71
2
U25B
SOHC4066
1 2
RX26
470R3
12
RX27
470R3
SMB1_DATA
SMB1_CLK
SMB2_DATA
SMB2_CLK
+5VSB
SB: M+5V CHANGED TO +5VSB
SMB_SEL
B_SMB_DATA
B_SMB_CLK
23
21,26
21,26
1
3
5
7
2
4
6
8
CN5
ELCO-CONN8
KROW1
KROW3
KROW5
KROW7
KROW2
KROW4
KROW6
KROW8
ANYKEY
EN_213RI
PS2DATA
PS2CLK
ANYKEY
EN_213RI
PS2DATA
PS2CLK
1
2
3
4
5 6
7
8
9
10
RP21
SRP10K
KROW4
KROW1
KROW2
KROW3
KROW5
KROW6
KROW7
KROW8
KBC_5V KBC_5V
SMB_SEL=1 : SELECT SHIVA BATTERY
SMB_SEL=0 : SELECT UMA BATTERY
1
2
R68
100KR3
13 12
1
4
7
U61F
SSHC14
+5V
4 3
1
4
75
U25C
SOHC4066
8 9
1
4
76
U25D
SOHC4066
19
KCOL2
KCOL4
KCOL6
KCOL8
KCOL10
KCOL12
KCOL13
KCOL15
1
3
5
7
9
11
13
2
4
6
8
10
12
14
15
17
16
18
CN14
ELCO-CONN18
KCOL1
KCOL5
KCOL7
KCOL9
KCOL3
KCOL11
KCOL14
KCOL16
KCOL5










