User's Manual
Manuals
Brands
Texas Manuals
laptops
Texas Texas Instruments Laptop 1
141
142
143
144
145
146
147
148
149
150
Table Of Contents
Maintenance Manual
Copyright
Preface
Contents
General Description
Installation
Operating Instructions
Theory of Operation
Troubleshooting Procedures
Field Service
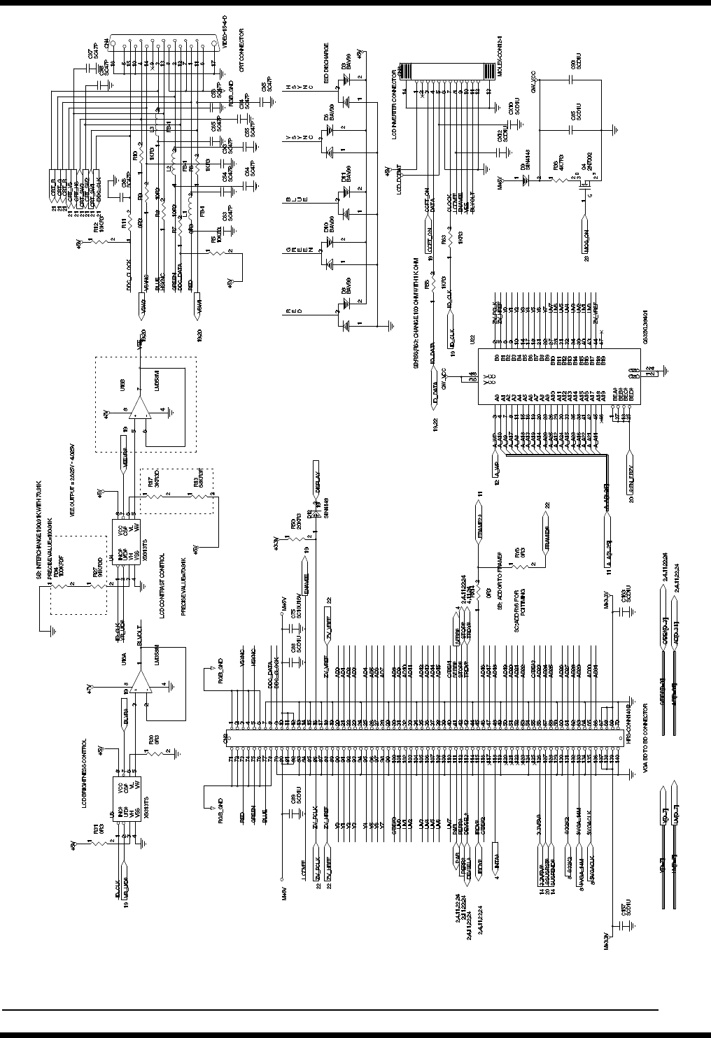
Notebook Schematic Diagrams
MPB Schematic Diagrams
POST BIOS
Notebook Schematic Diagrams
A-11
Figure A-1 Notebook Main Board Logic Diagrams (Sheet 10 of 30)
1
...
...
145
146
147
148
149
...
...
198