Datasheet
Table Of Contents

PCA9534A
SCPS141H –SEPTEMBER 2006–REVISED AUGUST 2013
www.ti.com
APPLICATION INFORMATION
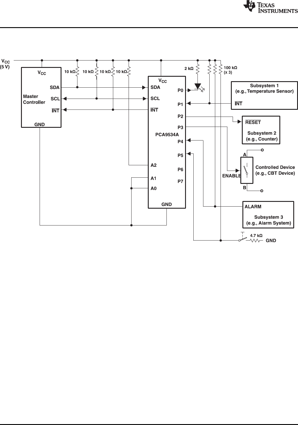
Figure 15 shows an application in which the PCA9534A can be used.
A. Device address is configured as 0111100 for this example.
B. P0, P2, and P3 are configured as outputs.
C. P1, P4, and P5 are configured as inputs.
D. P6 and P7 are not used and must be configured as outputs.
Figure 15. Typical Application
22 Submit Documentation Feedback Copyright © 2006–2013, Texas Instruments Incorporated
Product Folder Links: PCA9534A










