Datasheet
Table Of Contents

GAIN
200
3
LATCH
LMH6514
5V
Vin
R
1
R
IN
= R
1
|| 200
INTERNAL BIAS = 1.4V
C
1
C
2
6
7
5, 8
+IN
-IN
OUT-
OUT+
6dB STEP
VARIABLE
ATTENUATOR
0 to -42 dB
+38 dB
200:
200:
200:
400:
13
14
16
15
+
-
LMH6514
www.ti.com
SNOSB06A –JANUARY 2008–REVISED MARCH 2013
Figure 44. LMH6514 Block Diagram
INPUT CHARACTERISTICS
The LMH6514 input impedance is set by internal resistors to a nominal 200Ω. Process variations will result in a
range of values as shown in the Electrical Characteristics table. At higher frequencies parasitics will start to
impact the impedance. This characteristic will also depend on board layout and should be verified on the
customer’s system board.
At maximum gain the digital attenuator is set to 0 dB and the input signal will be much smaller than the output. At
minimum gain the output is 4 dB or more smaller than the input. In this configuration the input signal size may
limit the amplifier output amplitude, depending on the output configuration and the desired output signal voltage.
The input signal cannot swing more than 0.5V below the negative supply voltage (normally 0V) nor should it
exceed the positive supply voltage. The input signal will clip and cause severe distortion if it is too large. Because
the input stage self biases to approximately 1.4V the lower supply voltage will impose the limit for input voltage
swing. To drive larger input signals the input common mode can be forced higher than 1.4V to allow for more
swing. An input common mode of 2.0V will allow an 8 V
PP
maximum input signal. The trade off for input signal
swing is that as the input common mode is shifted away from the 1.4V internal bias point the distortion
performance will suffer slightly.
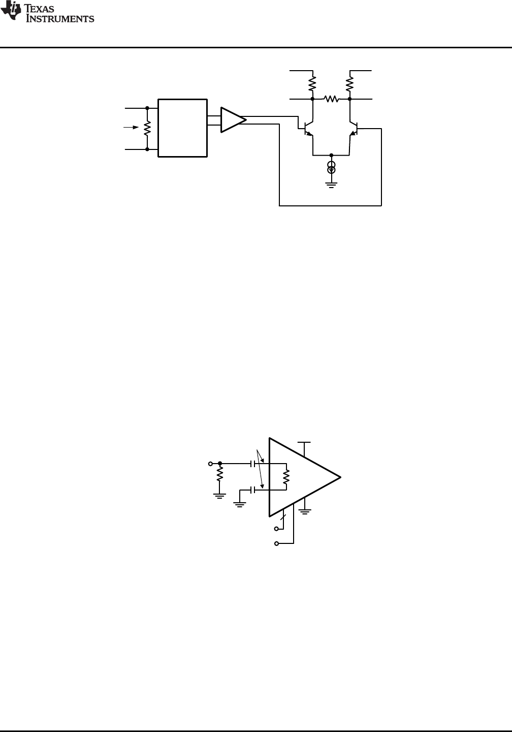
Figure 45. Single Ended Input
(Note capacitor on grounded input)
At the frequencies where the LMH6514 is the most useful the input impedance is not 200 Ω and it may not be
purely resistive. For many AC coupled applications the impedance can be easily changed using LC circuits to
transform the actual impedance to the desired impedance.
Copyright © 2008–2013, Texas Instruments Incorporated Submit Documentation Feedback 15
Product Folder Links: LMH6514










