Drawing Data
Manuals
Brands
Tecumseh Manuals
Reciprocating Compressors
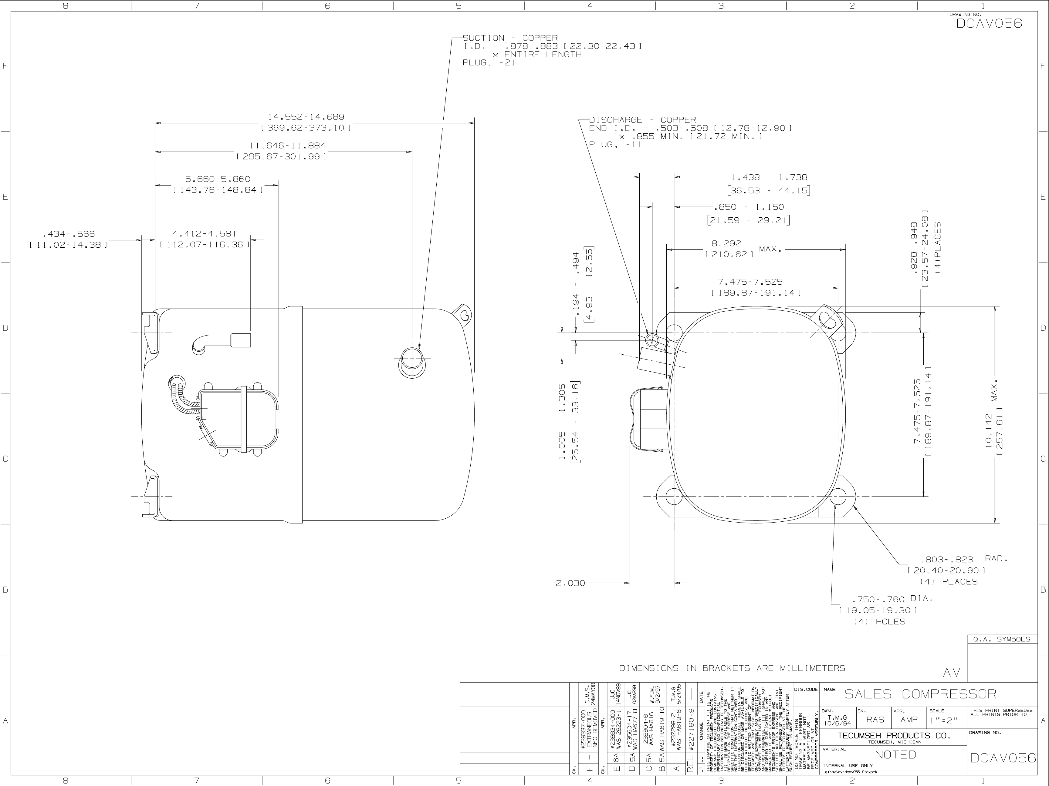
Tecumseh AVD5545EXT
1
1
Summary of content (1 pages)
PAGE 1