Drawing Data
Manuals
Brands
Tecumseh Manuals
Reciprocating Compressors
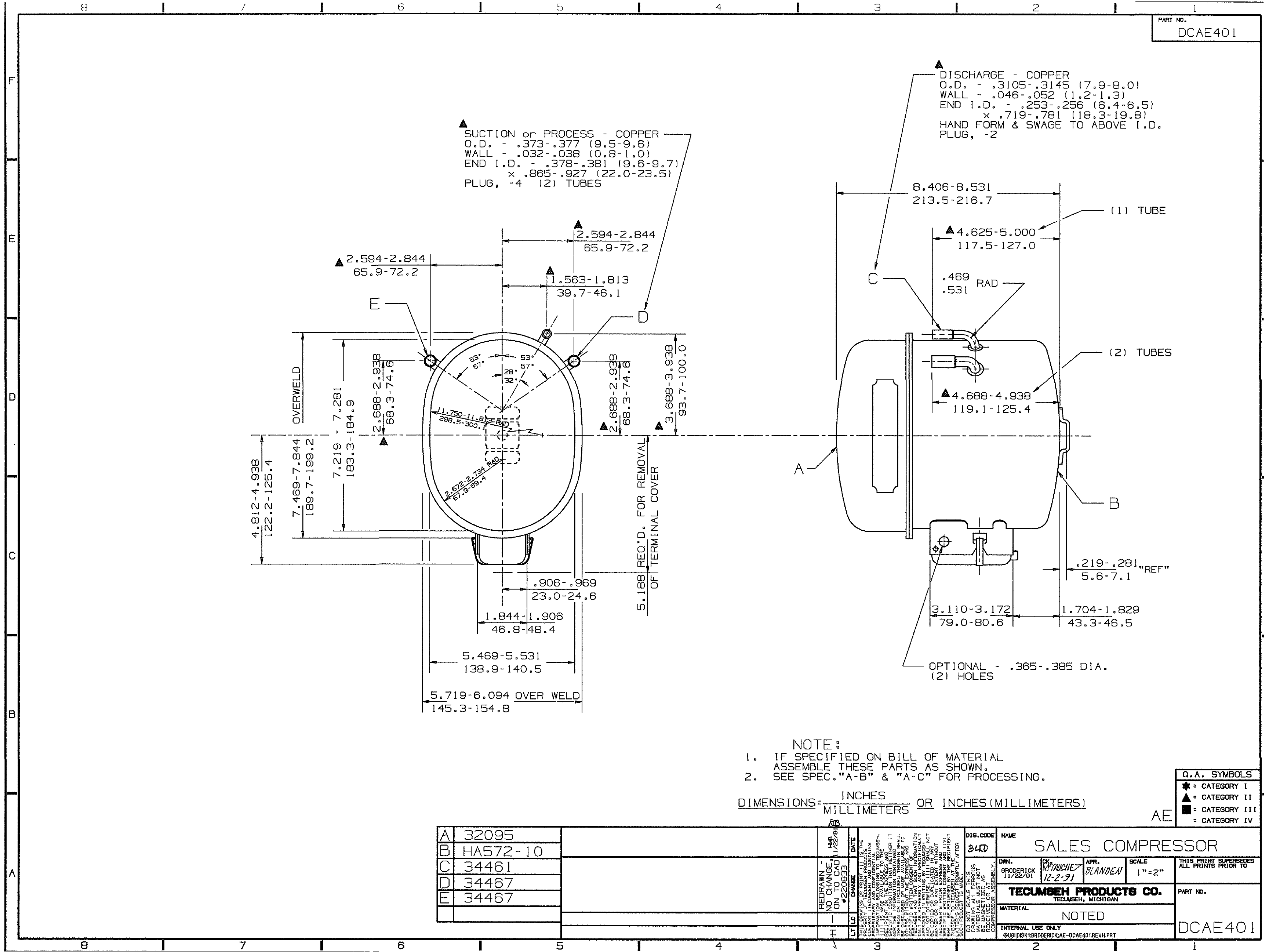
Tecumseh AEA5465EXA
1
1
Summary of content (1 pages)
PAGE 1