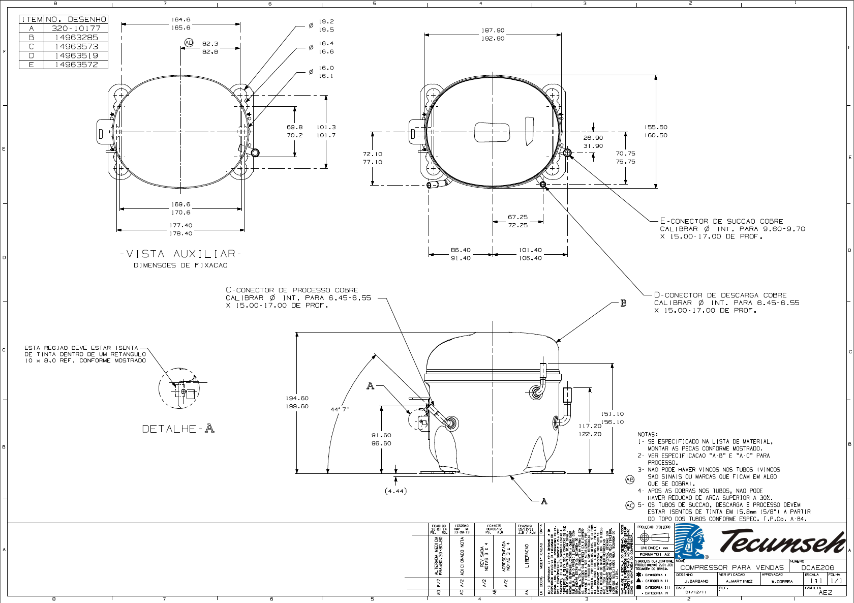
Drawing Data
Manuals
Brands
Tecumseh Manuals
Reciprocating Compressors
Tecumseh AE3440Y-AA1A
1
1
Summary of content (1 pages)
PAGE 1