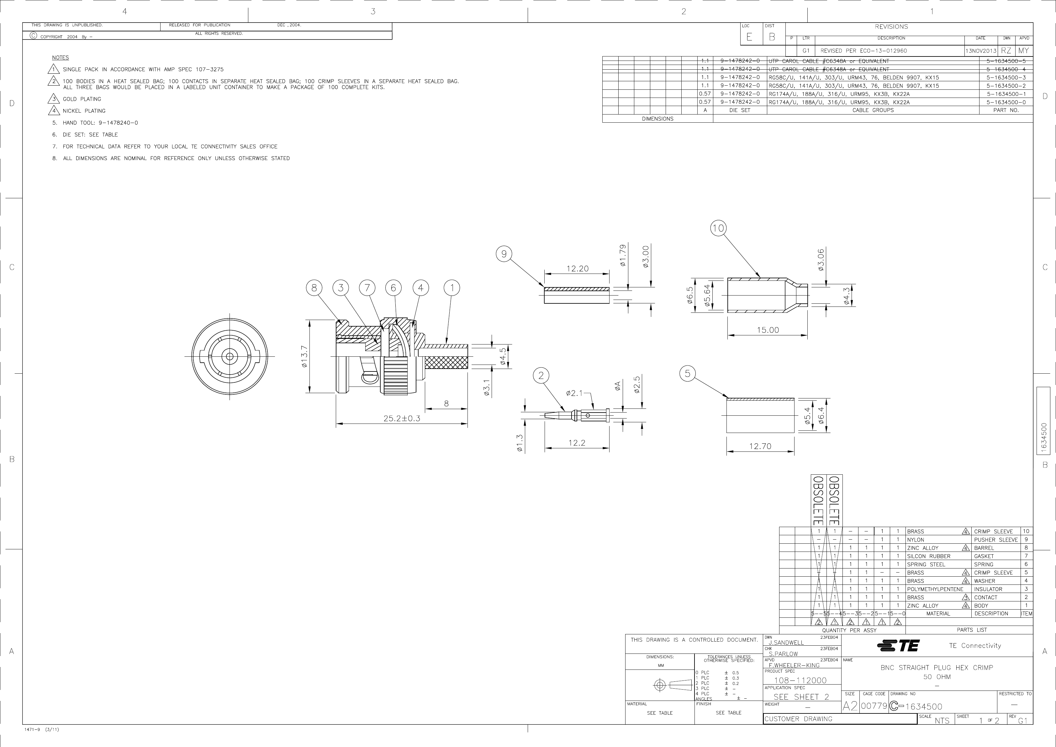
THIS DRAWING 15 UNPUBLISHED, RELEASED FOR PUBLICATION DEC , 2004. AL RIGHTS RESERVED. ©) compromise 2004 By — Loc DIST REVISIONS 3 DESCRIPTION DATE TWN | AVDP SEE SHEET 1 COMPONENTS MAIN BODY (ITEM 1,3,46,7 & 8) CENTER CONTACT (ITEM 2) PUSHER SLEEVE (ITEM 9) CRIMP FERRULES (ITEM ASSEMBLY INSTRUCTION C CABLES: RGS8C/U, 1414/U, 303/U, MURMUR, 76, BELLMEN 9307, KX15 CABLES: RG174A/U, 188A/U, 316/U, SURMISE, KX3B, KX22A, UTP CAROL CABLE #C6348A STEP 1 STEP 1 1. SLIDE METAL CRIMP FERRULE OVER CABLE 1.