Datasheet

114-16016
Rev M
7 of 9
CONNECTOR SIZE
X
Y
Z
8-Position
8
2
20.60
14-Position
14
4
28.95
23-Position
23
7
41.0
35-Position
35
11
57.0
Figure 10 (end)
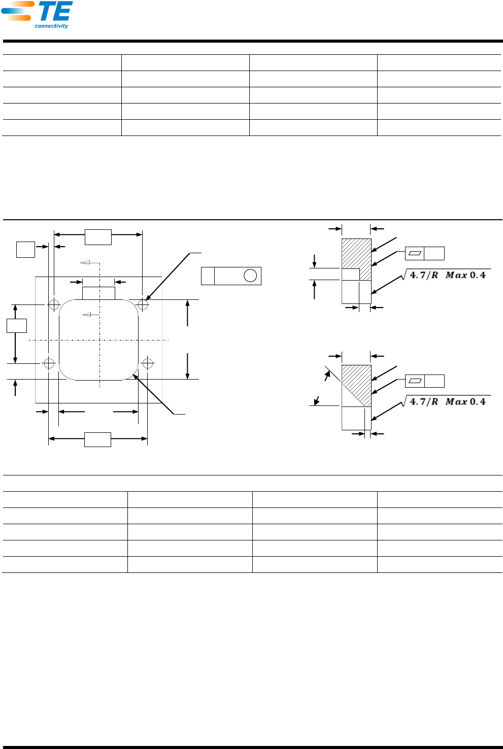
B. Panel Mounting
Panel mounting cutout requirements shall be as shown in Figure 11. The panel thickness shall be 2-5 mm
for proper assembly clearance. Panel sealing surface shall be in accordance with ISO 1302.
PANEL CUTOUT DIMENSIONS
CONNECTOR SIZE
A
B
C
8-Position
27.4
30.4
24.5-24.0
14-Position
35.4
38.4
32.5-32.0
23-Position
47.4
50.4
44.5-44.0
35-Position
63.4
66.4
60.6-60.0
Figure 11
The header assembly is designed to be fastened to the enclosure by four #3 self-tapping thread-forming
screws, such as the DELTA-PT, or metric equivalent. The screw length will depend on the panel thickness.
Torque the screws to 0.6 to 0.8 N●m. See Figure 12.
Header assemblies will be provided both with and without a Dispensed-In-Place gasket bonded to the flange.
For sealing a bare flange to an enclosure, a loose piece gasket will be required. The customer will be
responsible for the design and performance of the gasket.
4. QUALIFICATIONS
AMPSEAL automotive plug connectors are Listed in Underwriters Laboratories Inc. (UL) File E28476 and
Certified in CSA International File LR7189.
Dim A
A
A
10
1.5
5 Max
4X Ø
3.3
3.0
18.1
24.7
24.2
5
Dim C
Dim B
2.95
4X
6.80
6.60
Recommended Mounting Hole
Layout for 2.0-5.0 Thick Panel
Section A-A
Optional Construction if Panel
Thickness is Greater than 2.0
Section A-A
Optional Construction if Panel
Thickness is Greater than 2.0
5 Max
45°
2
Sealing Surface
Sealing Surface
1
2
a
a
0.5
0.5
Ø0.25 S