Datasheet

DataSheet
30W, Single Output
VER:00 Page 54 of 61 Issued Date:2009/03/02
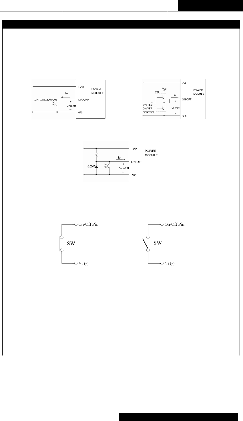
Remote ON/OFF Control
The Remote ON/OFF Pin is used to turn on and off the DC-DC converter. The user mu
st use a switch to control
the logic voltage (high or low level) of the ON/OFF pin, referenced to -Vi. The switch can be an ope
n collector
transistor, FET or Opto-Coupler that is capable of sinking up to 0.5 mA at low-level logic Voltage. High-level logic
of
the ON/OFF signal (maximum voltage):the allowable leakage current of the switch at 12V is 0.5mA.
Remote ON/OFF ImplementationCircuits
Isolated-ControlRemoteON/OFF Level Control UsingTTLOutput
Level Control UsingLineVoltage
Positive logic:
PXE30 module is turned off
UsingLow-level logic
PXE30 module is turned on
using High-level logic










