User Guide
Manuals
Brands
SUPER MICRO Computer Manuals
Other
SUPERSERVER 5014C-T
11
12
13
14
15
16
17
18
19
20
1-4
S
UPER
S
ERVER 5014C-T User's Manual
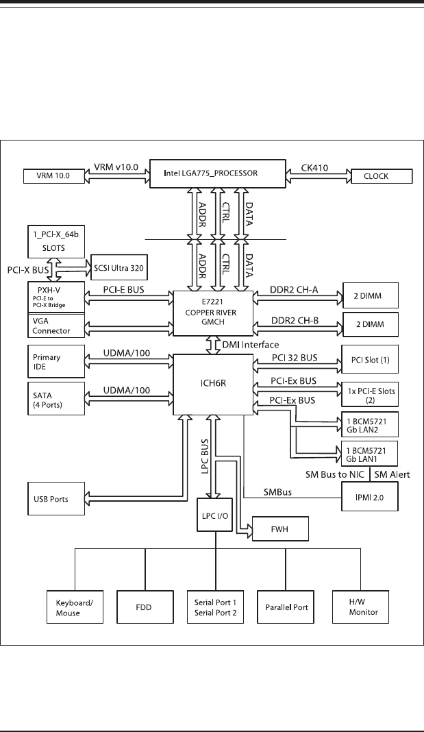
Figure 1-1
. Intel E7221 Chipset:
System Block Diagram
Note:
This is a general block diagram. Please see Chapter 5 for details.
1
...
...
10
11
12
13
14
...
...
108