Datasheet

建 準 電 機
SUNONWEALTH
Page 9 of 14
IV. CHARACTERISTIC DEFINITION
The following is a general description of certain tests that are performed on
representative SUNON fans in order to determine the specifications of the fan. Nothing
in this document is intended to suggest that these tests are performed on every model of
SUNON fan. Moreover, the descriptions that follow each test are meant only to provide
a general explanation of each test. If you would like a more detailed explanation as to
any test identified in this Section, SUNON can provide such an explanation upon
request.
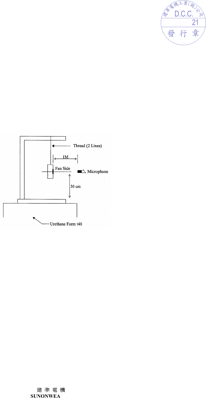
1. ACOUSTICAL NOISE
Measured in a semi-anechoic chamber with background noise level below 15dB(A).
1 METER FROM MICROPHONE TO FAN INTAKE
The fan is running in free air under shaft horizontal condition with the microphone at
distance of one meter from the fan intake.
2. INPUT POWER
Measured after continuous 10 minute operation at rated voltage in clean air
( STATIC PRESSURE=0), and at ambient temperature of 25 degrees C under shaft
horizontal condition.
3. RATED CURRENT
Measured after continuous 10 minute operation at rated voltage in clean air
( STATIC PRESSURE=0), and at ambient temperature of 25 degrees C under shaft
horizontal condition.
2018.02.21
D.C.C.










