Product Manual

Table Of Contents
4: Specifications 185 T4F Kubota User Manual
02250216-781 R02
38 Subject to EAR, ECCN EAR99 and related export control restrictions.
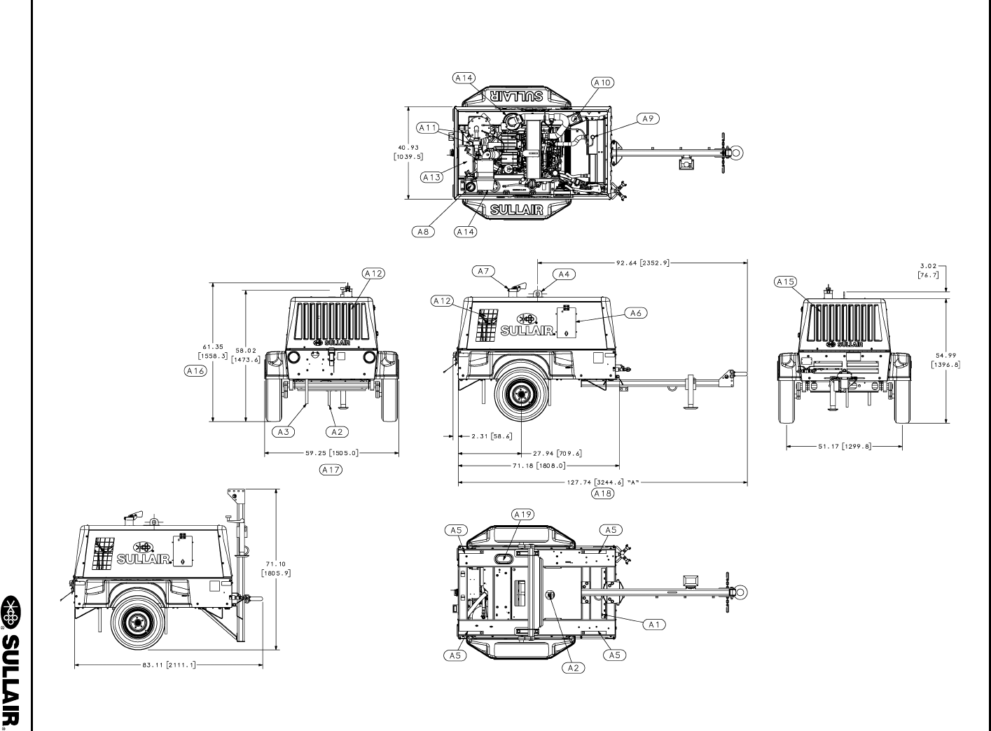
4.5 Identification—DPQ
02250214-081 R02