Product Manual

Table Of Contents
3: Description 185 T4F Kubota User Manual
02250216-781 R02
32 Subject to EAR, ECCN EAR99 and related export control restrictions.
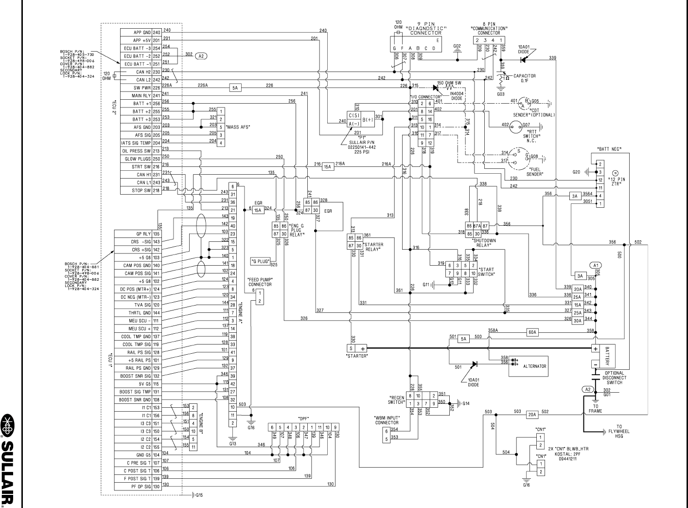
3.12 Wiring diagram
02250214-326(r12)