Product Manual

Table Of Contents
3: Description 185 T4F Kubota User Manual
02250216-781 R02
24 Subject to EAR, ECCN EAR99 and related export control restrictions.
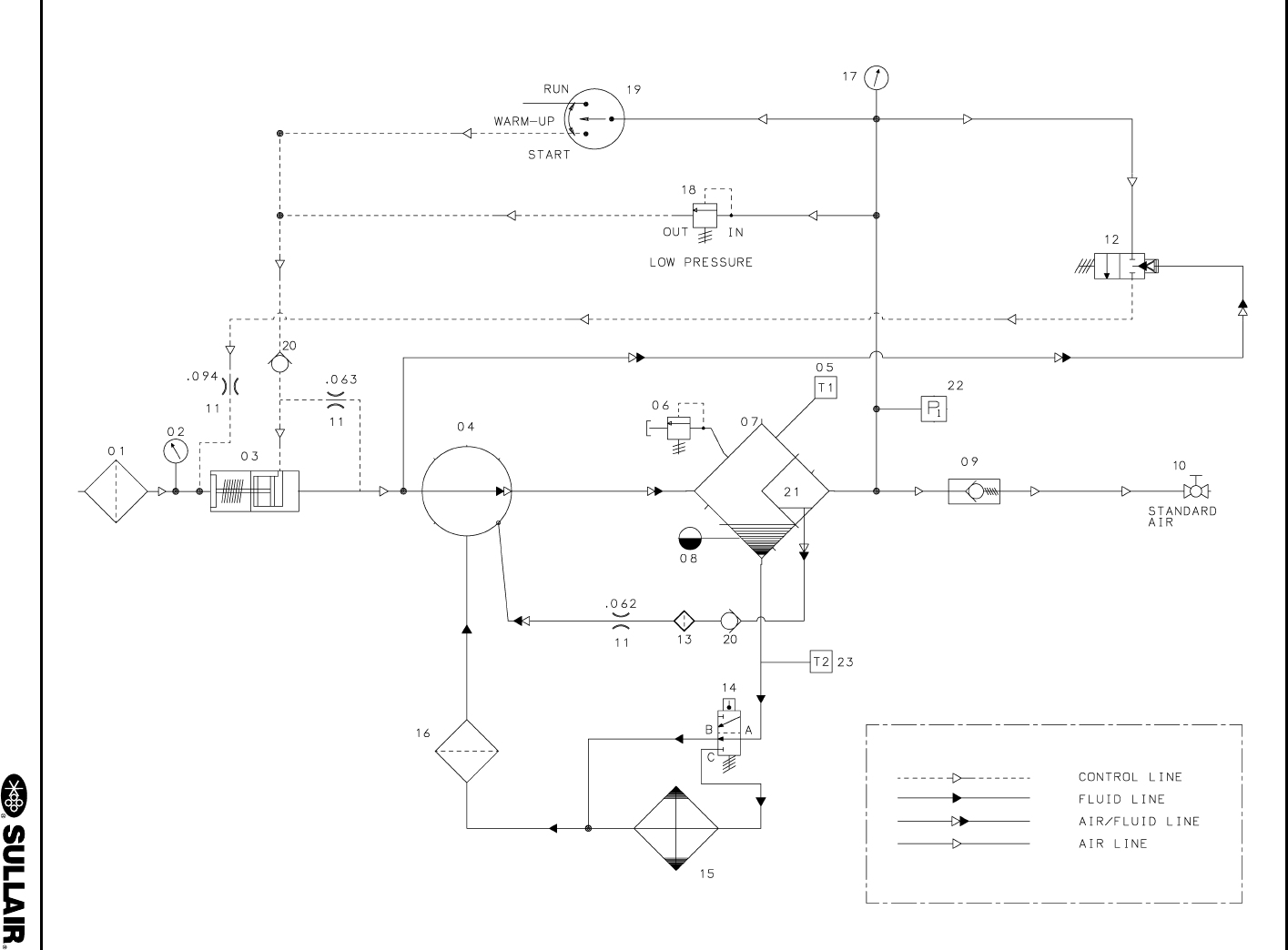
3.7 Piping and instrumentation—compressor system
02250210-170 R02 (sh1)