user manual
Manuals
Brands
Stow Manuals
Music Mixer
A multiquip Comapny Music Mixer MS15H5.5
41
42
43
44
45
46
47
48
49
50
P
A
GE 48 — MQ ST
O
W MS15H/MS15E MIXER — P
ARTS & OPERA
TION MANU
AL — REV
.FINAL (08/10/06)
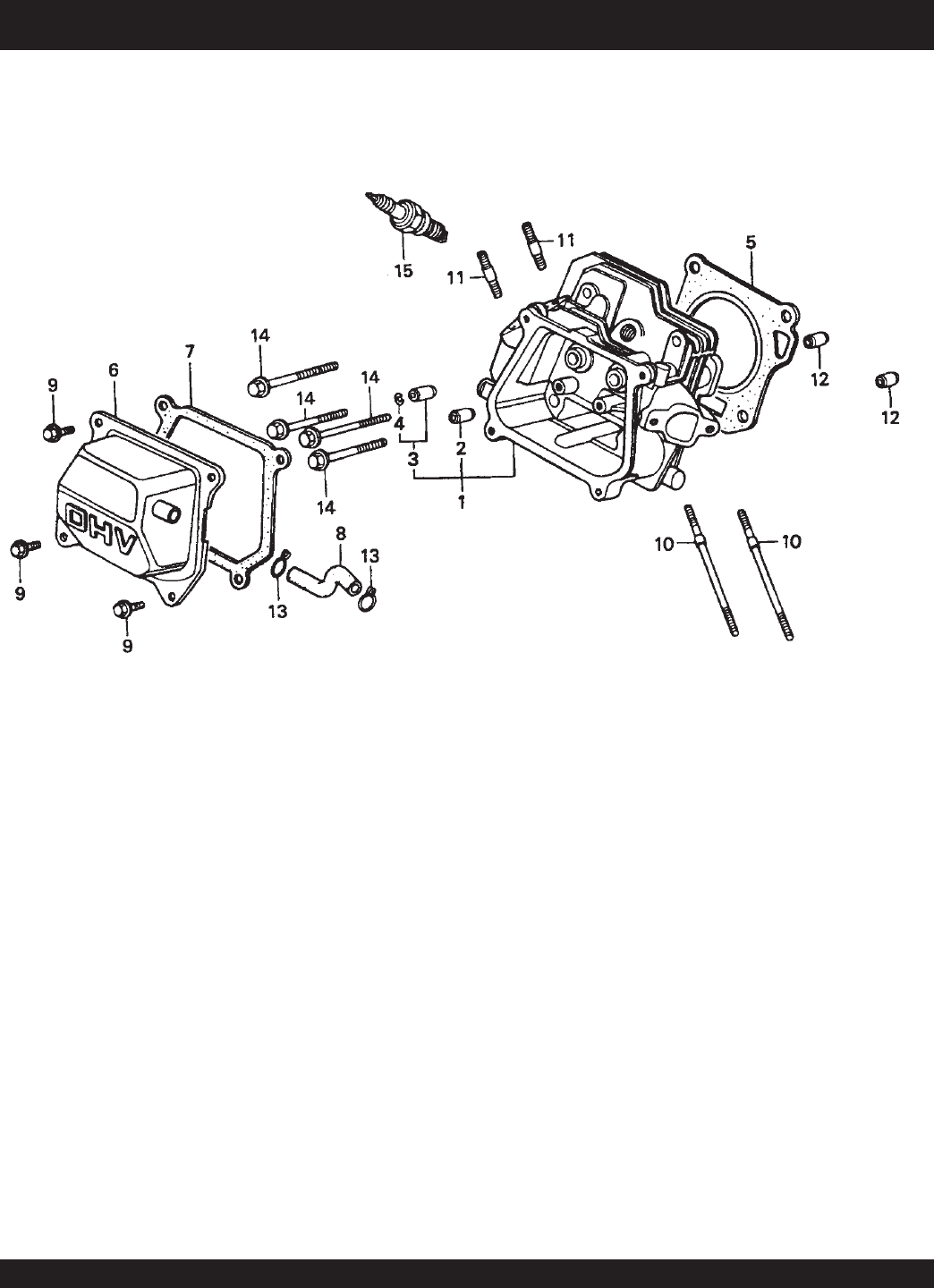
HOND
A ENGINE — CYLINDER HEAD
HOND
A GX160K1HX2 ENGINE — CYLINDER HEAD ASSY
.
CYLINDER HEAD ASSY
.
1
...
...
46
47
48
49
50
...
...
84