user manual
Manuals
Brands
Stow Manuals
Music Mixer
A multiquip Comapny Music Mixer MS15H5.5
21
22
23
24
25
26
27
28
29
30
P
A
GE 30 — MQ ST
O
W MS15H/MS15E MIXER — P
ARTS & OPERA
TION MANU
AL — REV
.FINAL (08/10/06)
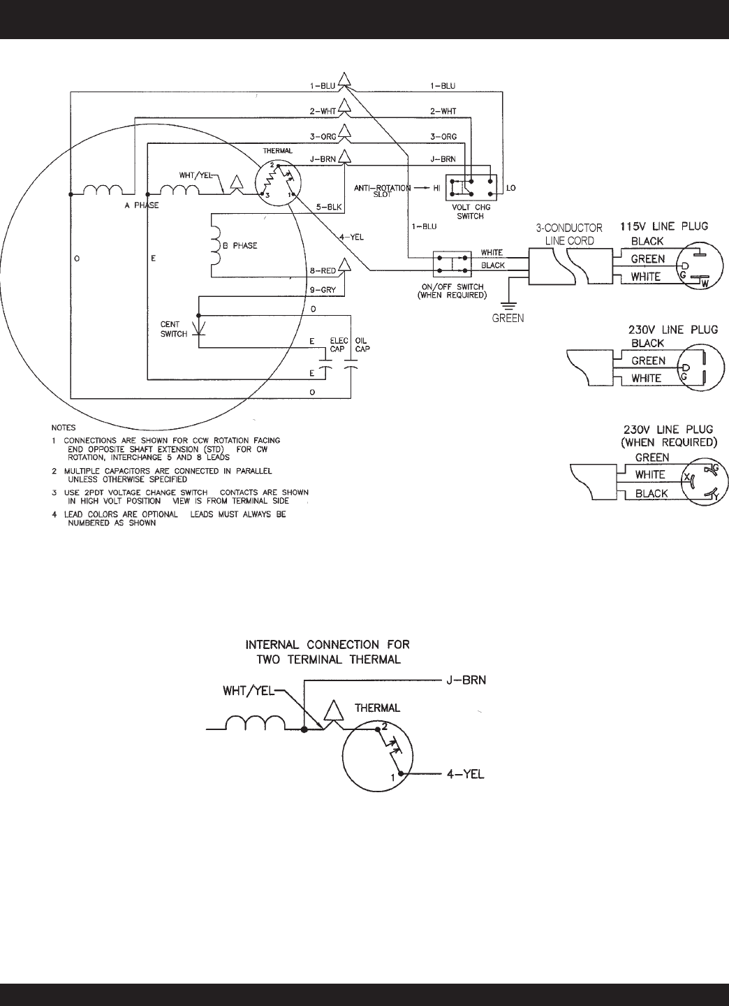
MS15H/MS15E MIXER —
WIRING DIA
GRAM (ELECTRIC MO
T
OR)
Figure 23.
Electric Motor
Wiring Diagram
1
...
...
28
29
30
31
32
...
...
84