Datasheet
Table Of Contents
- Table 1. Device summary
- 1 Diagram
- 2 Pin configuration
- 3 Maximum ratings
- 4 Electrical characteristics
- Table 5. Electrical characteristics of LD29080#15
- Table 6. Electrical characteristics of LD29080#18
- Table 7. Electrical characteristics of LD29080#25
- Table 8. Electrical characteristics of LD29080#33
- Table 9. Electrical characteristics of LD29080#50
- Table 10. Electrical characteristics of LD29080#80
- Table 11. Electrical characteristics of LD29080#90
- Table 12. Electrical characteristics of LD29080#ADJ
- 5 Typical characteristics
- Figure 5. Output voltage vs. temperature
- Figure 6. Reference voltage vs. temperature
- Figure 7. Dropout voltage vs. temperature
- Figure 8. Dropout voltage vs. output current
- Figure 9. Quiescent current vs. output current
- Figure 10. Quiescent current vs. temperature (Io = 10 mA)
- Figure 11. Quiescent current vs. supply voltage
- Figure 12. Quiescent current vs. temperature (Io = 800 mA)
- Figure 13. Short circuit current vs. temperature
- Figure 14. Adjust pin current vs. temperature
- Figure 15. Supply voltage rejection vs. temperature
- Figure 16. Output voltage vs. input voltage
- Figure 17. Stability vs. CO
- Figure 18. Line transient
- Figure 19. Load transient
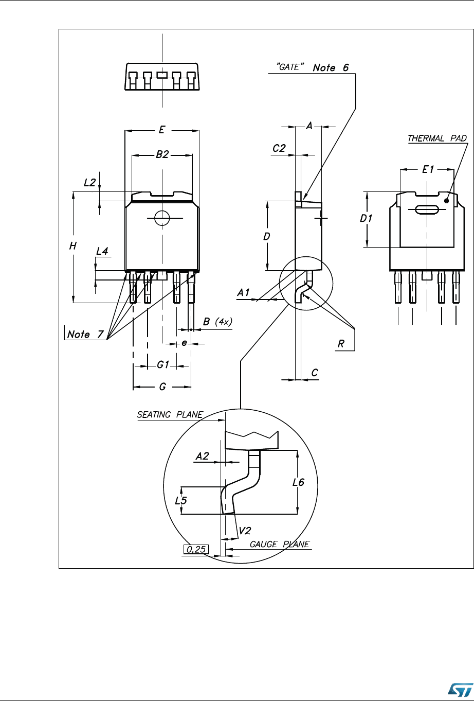
- 6 Package mechanical data
- 7 Packaging mechanical data
- 8 Revision history











