Datasheet

Table Of Contents
DocID2572 Rev 33 5/44
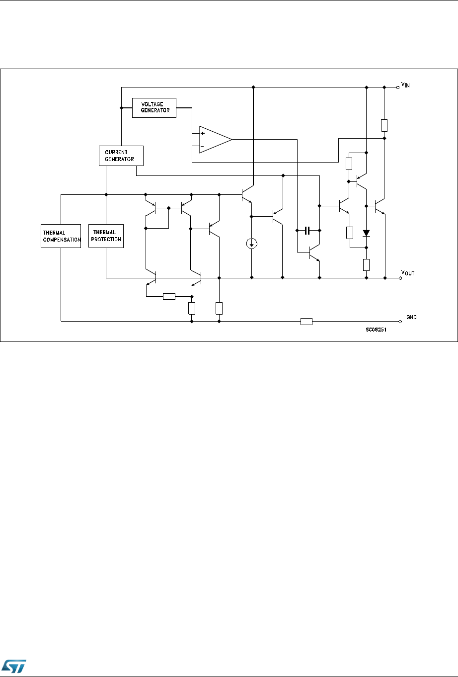
LD1117 Diagram
1 Diagram
Figure 1. Block diagram