Datasheet

Table Of Contents
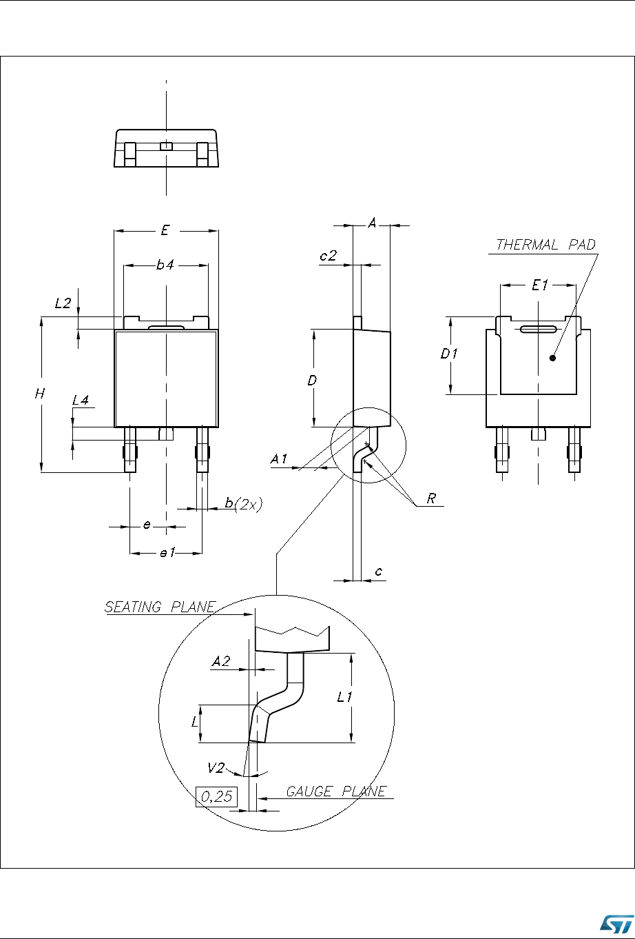
Package mechanical data LD1117
34/44 DocID2572 Rev 33
Figure 18. Drawing dimension DPAK (type IDS-subcon.)
0068772/G