
Fiberglass Cooling Towers Chapter 6: Appendix Page 25 of 25
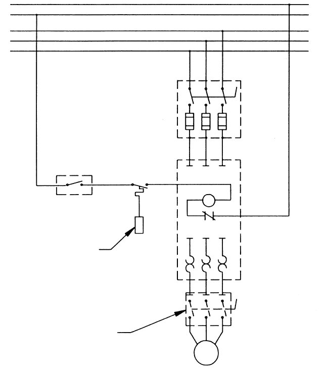
6-4 Electrical Schematics
Figure 12: Typical Wiring Diagram
115/1/60
208-230-460/3/60
Starter with
overloads
M
Fan
ON/OFF
switch
Thermostat
Immerse
bulb in tank
Non-fused
disconnect
at tower
Fused
disconnect
switch