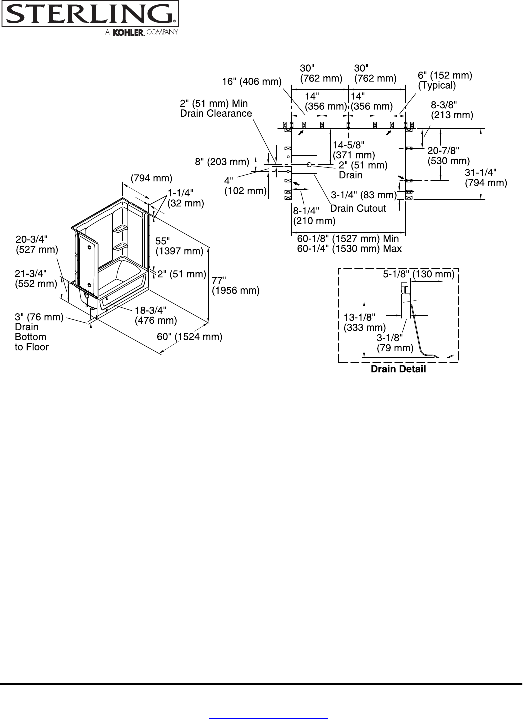
Dimensions Guide

31-1/4"
Notes
Technical Information
Install this product according to the installation
instructions.
All product dimensions are nominal.
3-Wall AlcoveInstallation:
Double studding is recommended for pivot shower
door installations.
LeftDrain location:
45" x 20" (1143 mm x 508 mm)Basin area, bottom:
Studs should be positioned roughly as shown.
53" x 23" (1346 mm x 584 mm)Basin area, top:
11-1/4" (286 mm)Water depth:
44 gal (166.6 L)Water capacity:
2-3/4" (70 mm)Minimum flat for door:
56-3/4" (1441 mm)Door height required:
57-11/16" (1465 mm)Door width required:
USA/Canada: 1-800-STERLING (1-800-783-7546)
Kohler Co. reserves the right to make revisions without notice to product specifications.
For the most current Specification Sheet, go to www.sterlingplumbing.com.
8-31-2017 05:06
Ensemble
™
60" x 30" Medley
™
AFD Bath/Shower
71370112


