Instruction Manual
Manuals
Brands
Steele Products Manuals
Equipment
SP-GMK049
17
18
19
20
21
22
23
24
25
26
Table Of Contents
cover.pdf
page1.pdf
page2.pdf
page3.pdf
page4.pdf
page5.pdf
page6.pdf
page7.pdf
page8.pdf
page9.pdf
page10.pdf
page11.pdf
page12.pdf
page13.pdf
page14.pdf
page15.pdf
page16.pdf
page17.pdf
page18.pdf
page19.pdf
page20.pdf
page21.pdf
page22.pdf
page23.pdf
page24.pdf
page25.pdf
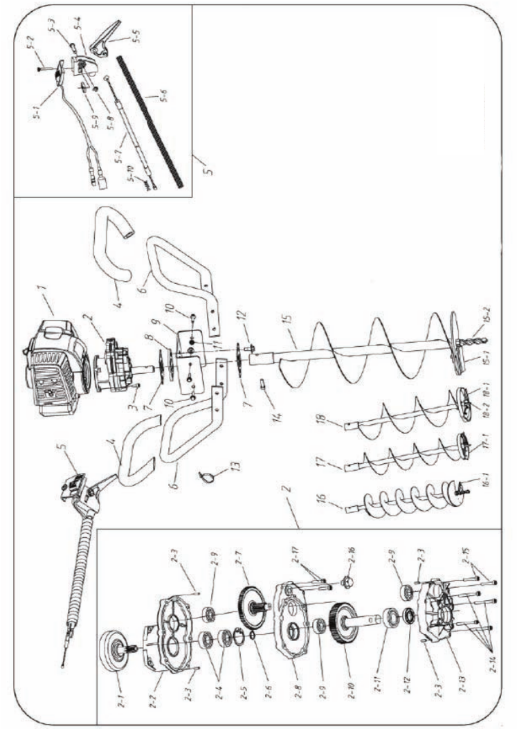
P
ar
t List
20
1
...
...
20
21
22
23
24
25
...
26