Datasheet

1/15
TDA7296
February 2005
1 FEATURES
■ MULTIPOWER BCD TECHNOLOGY
■ VERY HIGH OPERATING VOLTAGE RANGE
(±35V)
■ DMOS POWER STAGE
■ HIGH OUTPUT POWER (UP TO 60W MUSIC
POWER)
■ MUTING/STAND-BY FUNCTIONS
■ NO SWITCH ON/OFF NOISE
■ NO BOUCHEROT CELLS
■ VERY LOW DISTORTION
■ VERY LOW NOISE
■ SHORT CIRCUIT PROTECTION
■ THERMAL SHUTDOWN
2 DESCRIPTION
The TDA7296 is a monolithic integrated circuit in
Multiwatt15 package, intended for use as audio
class AB amplifier in Hi-Fi field applications (Home
Stereo, self powered loudspeakers, Topclass TV).
Thanks to the wide voltage range and to the high
out current capability it is able to supply the high-
est power into both 4Ω and 8Ω loads even in pres-
ence of poor supply regulation, with high Supply
Voltage Rejection.
The built in muting function with turn on delay sim-
plifies the remote operation avoiding switching on-
off noises.
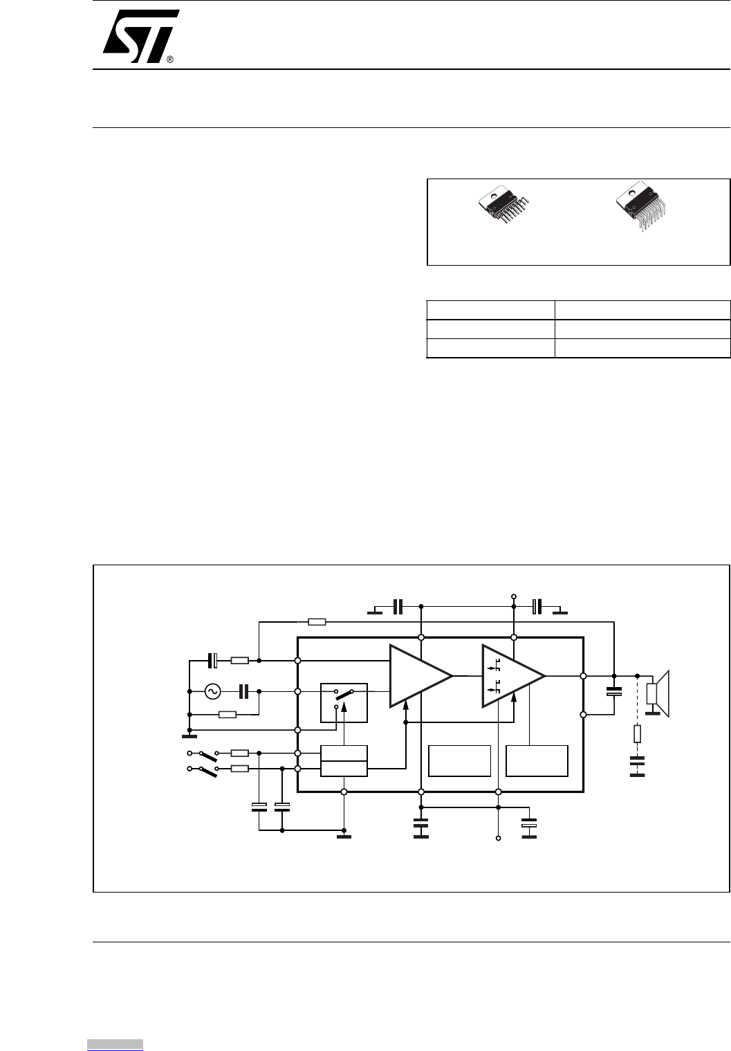
70V - 60W DMOS AUDIO AMPLIFIER WITH MUTE/ST-BY
Figure 2. Typical Application and Test Circuit
IN- 2
R2
680Ω
C2
22µF
C1 470nF
IN+
R1 22K
R6
2.7Ω
C10
100nF
3
R3 22K
-
+
MUTE
STBY
4
VM
VSTBY
10
9
IN+MUTE
MUTE
STBY
R4 22K
THERMAL
SHUTDOWN
S/C
PROTECTION
R5 10K
C3 10µF C4 10µF
1
STBY-GND
C5
22µF
713
14
6
158
-Vs -PWVs
BOOT-
STRAP
OUT
+PWVs+Vs
C9 100nF C8 1000µF
-Vs
D93AU011
+VsC7 100nF C6 1000µF
Note: The Boucherot cell R6, C10, normally not necessary for a stable operation it could
be needed in presence of particular load impedances at V
S
<±25V.
Rev. 10
Fi
gure 1.
P
ac
k
age
Table 1. Order Codes
Part Number Package
TDA7296 Multiwatt15V
TDA7296HS Multiwatt15H (Short Leads)
Multiwatt15V
Multiwatt15H
(Short Leads)
Downloaded from Arrow.com.










