Datasheet

LM124-LM224-LM324
9/13
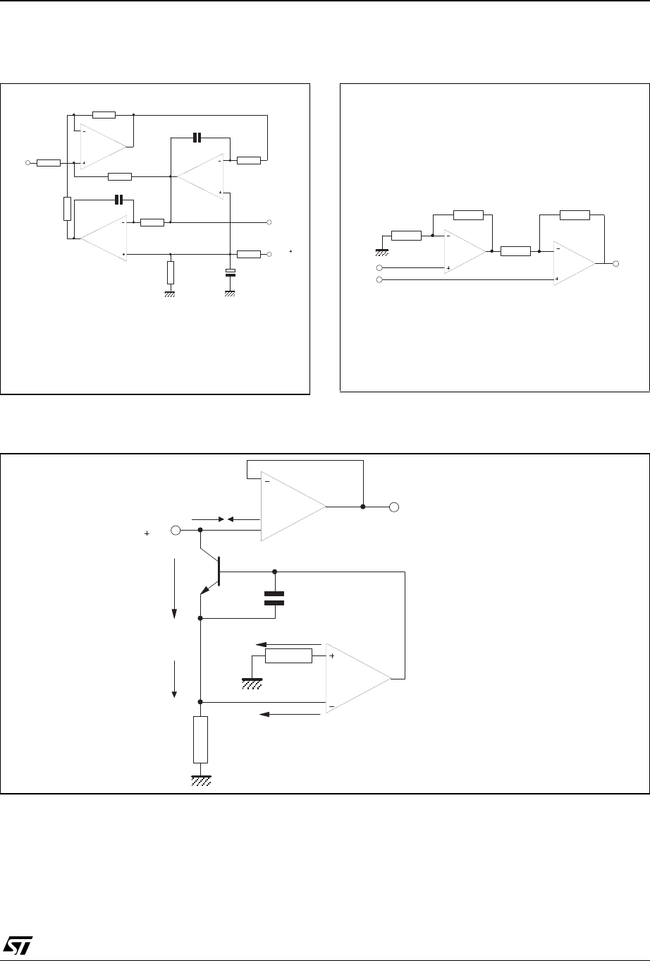
TYPICAL SINGLE - SUPPLY APPLICATIONS
ACTIVER BANDPASS FILTER HIGH INPUT Z, DC DIFFERENTIAL AMPLIFIER
USING SYMETRICAL AMPLIFIERS TO REDUCE INPUT CURRENT (GENERAL CONCEPT)
1/4
LM124
1/4
LM124
R3
10k
W
1/4
LM124
e
1
e
O
R8
100k
W
R7
100k
W
C3
10
m
F
V
CC
R5
470k
W
C2
330pF
R4
10M
W
R6
470k
W
R1
100k
W
C1
330pF
F
o
= 1kHz
Q = 50
A
v
= 100 (40dB)
1/4
LM124
R1
100k
W
R2
100k
W
R4
100k
W
R3
100k
W
+V2
+V1
V
o
1/4
LM124
For
(CMRR depends on this resistor ratio match)
R
1
R
2
-------
R
4
R
3
-------=
e
0
(e
2
- e
1
)
As shown e
0
= (e
2
- e
1
)
1
R
4
R
3
-------+
1/4
LM124
I
B
2N 929
0.001
m
F
I
B
3M
W
I
B
e
o
I
I
e
I
I
B
I
B
Aux. amplifier for input
current compensation
1.5M
W
1/4
LM124










